Курсовая работа: САУ лабораторной установкой термовакуумного нанесения тонких пленок
Описание

ТЕМА ПРОЕКТА:
Автоматическая система управления лабораторной установкой термовакуумного нанесения тонких
пленок.
Москва 2005
ЗАДАНИЕ
на курсовой проект по системам автоматического управления оборудования электронных технологий.
Тема проекта Лабораторная автоматизированная установка
термовакуумного нанесения тонких пленок.
1. Проработать описание работы машины, выбрать и обосновать состав ее основных целевых функций, сервисных функций, функций коррекции цели.
2. Разработать комплексную принципиальную схему, как совокупность системы целевых механизмов, системы их энергообеспечения и системы управления, связанных материальными, энергетическими и информационными потоками.
3. Описать механический, энергетический и информационный интерфейс компонентов машины. Составить технические задания на проработку отдельных компонентов.
4. На уровне эскизного и рабочего проекта проработать предложенный компонент САУ.
Содержание графической части.
- Процессная модель машины..................................................1 л.
- Комплексная принципиальная схема....................................2 л.
- Блок согласования..................................................................1 л.
Содержание расчетно-пояснительной записки
- Аннотация.
- Описание процессной модели. Выбор и обоснование целевых, сервисных функций, и функций коррекции цели.
- Описание комплексной принципиальной схемы.
- Технические задания на элементы и узлы машины.
- Описание платы коммутатора.
- Заключение.
1.Введение.
На сегодняшний день все большее число производств на государственных предприятиях и частных фирмах по возможности переходят на использование автоматизированного оборудования в своей работе. Без управляющей электроники уже не может обойтись ни одна отрасль промышленности, особенно электронное машиностроение—отрасль, сама производящая компоненты для систем автоматизированного управления.
Целью данного курсового проекта является ознакомление с методами и средствами комплексных разработок механических, электронных компонентов оборудования.
Задачи проекта состоят в:
—распределении функций машины между различными компонентами и обоснование этих функций;
—постановке четких технических заданий перед разработчиками отдельных компонентов;
—выполнении технической документации на электронные компоненты;
Исходя из требуемых технических характеристик установки, были подробно рассмотрены процессы наладки и эксплуатации установки с позиций систем автоматизированного управления.
Для упрощения работы оператора и повышения производительности предложен вариант полностью автоматизированной установки вместо существующей установки с ручным управлением.
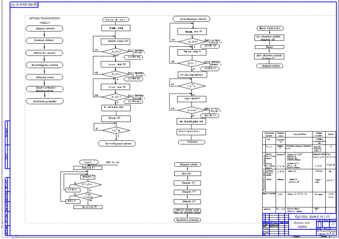
2.Описание процессной модели.
Процесс нанесения пленки термовакуумным испарением имеет ряд особенностей:
- чистота процесса осаждения;
- высокие требования по предварительной подготовке (очистки) подложки;
- некоторые трудности, связанные с испарением тугоплавких материалов.
В данных условиях производства используется лабораторно-производственная установка по нанесению тонкопленочных покрытий.
Перед нанесением тонкопленочного покрытия методом термовакуумного испарения очищенные подложки закрепляются на подложкодержатель внутри камеры установки. Затем производится предварительная откачка камеры до низкого давления, дальнейшая откачка камеры до высокого вакуума (10-5 Па) и получение покрытия путем испарения наносимого материала. В момент начала и в процессе осаждения одновременно с подачей напряжения на испаритель проводятся замеры температуры источника, давления в камере.
Измерение температуры проводятся с помощью термопары (помещенной внутрь камеры), сигнал с которой через двухканальный усилитель поступает на микроконтроллер и в последствии обрабатывается. Давление в камере определяется обработкой сигналов PT от термопарного вакуумметра и преобразователя сигнала ВИТ.
В данном курсовом проекте разрабатывается процессная модельХарактеристики курсовой работы
Список файлов

Начать зарабатывать