Для студентов ТУСУР по предмету СхемотехникаКонтрольная работаКонтрольная работа
5,0051
2025-03-25СтудИзба

ДЗ: Контрольная работа

Описание

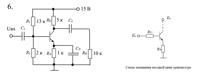
Задача 1.
1. Указать способ включения транзистора. Рассчитать координаты точки покоя (напряжение и ток в выходной цепи транзистора до подачи входного сигнала) и их нестабильность в диапазоне температур (20...50) оС.
2.Построить нагрузочные прямые постоянного и переменного тока.
3. Изобразить эквивалентную схему каскада УНЧ для рабочего диапазона частот (области средних частот). Оценить коэффициент усиления по напряжению, входное и выходное сопротивления.
4. Характеристики и параметры транзистора приведены в приложении Г.
Задача 2.
1. Определить коэффициент усиления по напряжению на средних частотах.
2. Определить входное и выходное сопротивления.
3. Оценить полосу пропускания на уровне 3 дБ.
4. Оценить возможную ошибку смещения нуля и дрейф нулевого уровня на выходе операционного усилителя в диапазоне температур (20…50)оС.
5. Характеристики и параметры ОУ приведены в приложении Д.
Выписываем характеристики ОУ и определяем прямой коэффициент усиления и частоту единичного усиления из графика ЛАЧХ ОУ:
Входное сопротивление rвх=100 кОм.
Выходное сопротивление rвых=100 Ом.
Напряжение смещения Uсм ≤ 5 мВ.
Дрейф напряжения смещения δUсм ≤ 50 мкВ/К.
Входной ток Iвх ≤ 5 мкА.
Разность входных токов ∆Iвх ≤ 1 мкА.
Дрейф входного тока δIвх ≤ 10 нА/К.
Дрейф разности входных токов δ∆Iвх ≤ 5 нА/К.
Входное сопротивление для синфазного сигнала rсф=100 МОм. Cобственный коэффициент усиления на постоянном токе K0 [дБ] = 100 дБ (K0 = 105). Граничная частота единичного усиления f1 = 106 Гц.

Характеристики домашнего задания

Учебное заведение
Просмотров
4
Качество
Идеальное компьютерное
Размер
403,06 Kb

Список файлов

Задача 1 (вариант 6)_ Задача 2 (вариант 16).docx
Задача 1. Вариант 6. Рис.1 Входная ВАХ транзистора.jpg
Задача 1. Рис.2 Выходная ВАХ транзистора.jpg
Задача 1. Рис.3 Эквивалентная схема усилителя на СЧ.jpg
Задача 1. Схема вариант 6.png
Задача 2. Схема вариант 6.png
Картинка-подпись
Если нужен другой вариант работы или отдельная задача из любой работы, пишите в комментарии

Комментарии

Нет комментариев
Стань первым, кто что-нибудь напишет!
Поделитесь ссылкой:
Цена: 500 руб.
Расширенная гарантия +3 недели гарантии, +10% цены
Рейтинг покупателей
5 из 5
Поделитесь ссылкой:
Сопутствующие материалы

Подобрали для Вас услуги

-30%
-30%
Вы можете использовать домашнюю работу для примера, а также можете ссылаться на неё в своей работе. Авторство принадлежит автору работы, поэтому запрещено копировать текст из этой работы для любой публикации, в том числе в свою домашнюю работу в учебном заведении, без правильно оформленной ссылки. Читайте как правильно публиковать ссылки в своей работе.
Свежие статьи
Популярно сейчас
Почему делать на заказ в разы дороже, чем купить готовую учебную работу на СтудИзбе? Наши учебные работы продаются каждый год, тогда как большинство заказов выполняются с нуля. Найдите подходящий учебный материал на СтудИзбе!
Ответы на популярные вопросы
Да! Наши авторы собирают и выкладывают те работы, которые сдаются в Вашем учебном заведении ежегодно и уже проверены преподавателями.
Да! У нас любой человек может выложить любую учебную работу и зарабатывать на её продажах! Но каждый учебный материал публикуется только после тщательной проверки администрацией.
Вернём деньги! А если быть более точными, то автору даётся немного времени на исправление, а если не исправит или выйдет время, то вернём деньги в полном объёме!
Да! На равне с готовыми студенческими работами у нас продаются услуги. Цены на услуги видны сразу, то есть Вам нужно только указать параметры и сразу можно оплачивать.
Отзывы студентов
Ставлю 10/10
Все нравится, очень удобный сайт, помогает в учебе. Кроме этого, можно заработать самому, выставляя готовые учебные материалы на продажу здесь. Рейтинги и отзывы на преподавателей очень помогают сориентироваться в начале нового семестра. Спасибо за такую функцию. Ставлю максимальную оценку.
Лучшая платформа для успешной сдачи сессии
Познакомился со СтудИзбой благодаря своему другу, очень нравится интерфейс, количество доступных файлов, цена, в общем, все прекрасно. Даже сам продаю какие-то свои работы.
Студизба ван лав ❤
Очень офигенный сайт для студентов. Много полезных учебных материалов. Пользуюсь студизбой с октября 2021 года. Серьёзных нареканий нет. Хотелось бы, что бы ввели подписочную модель и сделали материалы дешевле 300 рублей в рамках подписки бесплатными.
Отличный сайт
Лично меня всё устраивает - и покупка, и продажа; и цены, и возможность предпросмотра куска файла, и обилие бесплатных файлов (в подборках по авторам, читай, ВУЗам и факультетам). Есть определённые баги, но всё решаемо, да и администраторы реагируют в течение суток.
Маленький отзыв о большом помощнике!
Студизба спасает в те моменты, когда сроки горят, а работ накопилось достаточно. Довольно удобный сайт с простой навигацией и огромным количеством материалов.
Студ. Изба как крупнейший сборник работ для студентов
Тут дофига бывает всего полезного. Печально, что бывают предметы по которым даже одного бесплатного решения нет, но это скорее вопрос к студентам. В остальном всё здорово.
Спасательный островок
Если уже не успеваешь разобраться или застрял на каком-то задание поможет тебе быстро и недорого решить твою проблему.
Всё и так отлично
Всё очень удобно. Особенно круто, что есть система бонусов и можно выводить остатки денег. Очень много качественных бесплатных файлов.
Отзыв о системе "Студизба"
Отличная платформа для распространения работ, востребованных студентами. Хорошо налаженная и качественная работа сайта, огромная база заданий и аудитория.
Отличный помощник
Отличный сайт с кучей полезных файлов, позволяющий найти много методичек / учебников / отзывов о вузах и преподователях.
Отлично помогает студентам в любой момент для решения трудных и незамедлительных задач
Хотелось бы больше конкретной информации о преподавателях. А так в принципе хороший сайт, всегда им пользуюсь и ни разу не было желания прекратить. Хороший сайт для помощи студентам, удобный и приятный интерфейс. Из недостатков можно выделить только отсутствия небольшого количества файлов.
Спасибо за шикарный сайт
Великолепный сайт на котором студент за не большие деньги может найти помощь с дз, проектами курсовыми, лабораторными, а также узнать отзывы на преподавателей и бесплатно скачать пособия.
Популярные преподаватели
Добавляйте материалы
и зарабатывайте!
Продажи идут автоматически
6823
Авторов
на СтудИзбе
276
Средний доход
с одного платного файла
Обучение Подробнее
{user_main_secret_data}