Для студентов НГТУ по предмету СхемотехникаКП - Дифференциальный усилитель - 2КП - Дифференциальный усилитель - 2
4,96529562
2021-08-222021-08-22СтудИзба
Курсовая работа: КП - Дифференциальный усилитель - 2
Описание
Пояснительная записка к курсовому проекту
по дисциплине: «Основы схемотехники».
«Дифференциальный усилитель»
Содержание
Введение.Исходные данные:
Принципиальная схема.
Описание работы усилителя:
Расчёт дифференциального каскада.
Расчёт генератора стабильного тока(ГСТ).
Заключение.
Список литературы.
Введение
Дифференциальный усилитель – это широко известная схема, используемая для усиления разности двух входных сигналов. Дифференциальные усилители используются в тех случаях, когда слабые сигналы можно потерять на фоне шумов. Примерами таких сигналов являются цифровые сигналы, передаваемые по длинным кабелям, звуковые сигналы, радиочастотные сигналы, напряжения электрокардиограмм, сигналы считывания информации из магнитной памяти. Дифференциальный усилитель на приёмном конце восстанавливает первоначальный сигнал, если синфазные помехи не очень велики. Дифференциальные каскады широко используются при построении операционных усилителей. Они играют важную роль при разработке усилителей постоянного тока: их симметричная схема по сути своей приспособлена для компенсации температурного дрейфа.Исходные данные:
Коэффициент усиления дифференциального сигнала: Ku = 50Коэффициент подавления синфазного сигнала: Kпсс = 100 дБ
Источник питания: Еп = ±12 В
Сопротивление нагрузки по симметричному выходу: Rн = 10000 Ом
Сопротивление генератора сигнала: Rг =100 Ом
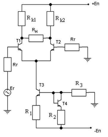
Для получения Kпсс = 100 дБ лучше снимать сигнал по симметричному выходу а для увеличения сопротивления эмиттера при малом напряжении источника нужно применить генератор тока. Таким образом нам подходит следующая принципиальная схема:
Принципиальная схема:

На транзисторах Т1 и Т2 собран дифференциальный каскад.
На Т3 и на Т4 управляемый источник тока (генератор стабильного тока). Данная связка называется токовым зеркалом.
Характеристики курсовой работы
Предмет
Учебное заведение
Семестр
Просмотров
11
Качество
Идеальное компьютерное
Размер
1,22 Mb
Список файлов
КП - Дифференциальный усилитель - 2.doc

Вам все понравилось? Получите кэшбэк - 40 рублей на Ваш счёт при покупке. Поставьте оценку и напишите положительный комментарий к купленному файлу. После Вы получите деньги на ваш счет.