ДЗ: Вариант 27 - ДЗ №1, 2 - Силовой анализ манипулятора с незамкнутой и замкнутой КЦ вариант 27
Описание
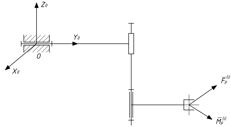
Ссылка на Вариант 27 - дз№1 - Силовой анализ манипуляторной системы с незамкнутой кинематической цепью.
Найти: - нагрузки на приводные двигатели и реакции опоры.
Ссылка на Вариант 27 - дз№2 - Силовой анализ манипуляторной системы с замкнутой кинематической цепью.
Найти: - нагрузки на приводные двигатели.
Найти: - нагрузки на приводные двигатели и реакции опоры.
Ссылка на Вариант 27 - дз№2 - Силовой анализ манипуляторной системы с замкнутой кинематической цепью.
Найти: - нагрузки на приводные двигатели.Характеристики домашнего задания
Учебное заведение
Вариант
Просмотров
11
Качество
Идеальное компьютерное
Размер
1,58 Mb
Список файлов
Вариант 27. 1 дз.pdf
Вариант 27. 2 дз.pdf
Комментарии
Нет комментариев
Стань первым, кто что-нибудь напишет!
МГТУ им. Н.Э.Баумана
kecha_sudarev


















