Для студентов НИУ «МЭИ» по предмету Программные средства моделированияЛР №2 "Расчет линейных электрических цепей средствами математического пакета MatLAB"ЛР №2 "Расчет линейных электрических цепей средствами математического пакета MatLAB"
5,0051
2023-04-302023-04-30СтудИзба
Лабораторная работа: ЛР №2 "Расчет линейных электрических цепей средствами математического пакета MatLAB"
-50%
Описание
Зачтенная лабораторная работа по программным средствам моделирования № 2 "Расчет линейных электрических цепей средствами математического пакета MatLAB" + код
Цель работы: получение первичных навыков программирования в математическом пакете MatLAB на примере расчета прохождения сигналов сложной формы через линейные электрические цепи.
Введение:
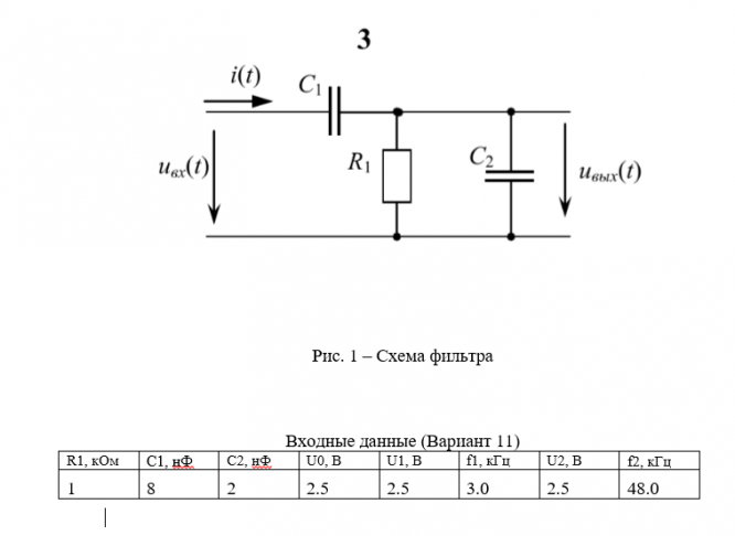
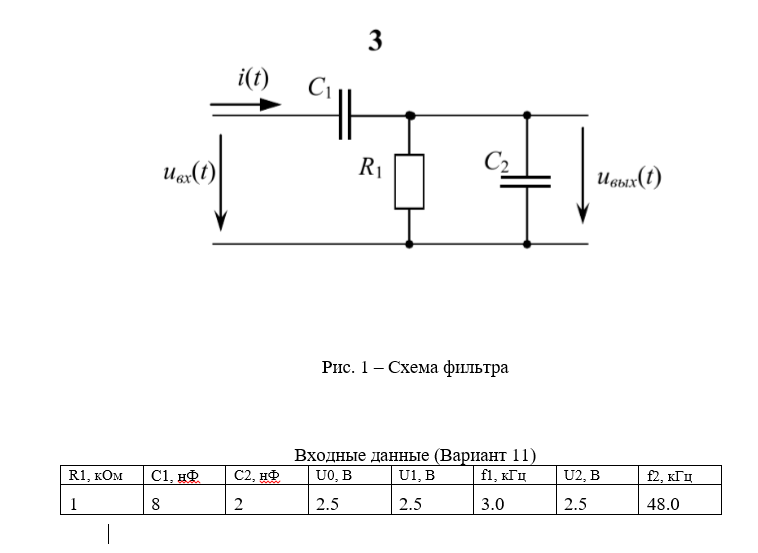
Пример оформления:
Показать/скрыть дополнительное описание
Цель работы: получение первичных навыков программирования в математическом пакете MatLAB на примере расчета прохождения сигналов сложной формы через линейные электрические цепи.
Введение:


Лабораторная работа 4 семестр по программные средства моделирования МЭИ.
Характеристики лабораторной работы
Учебное заведение
Семестр
Программы
Просмотров
9
Качество
Идеальное компьютерное
Размер
103,46 Kb
Список файлов
ЛР 2 ПСМ 1.docx
ЛР 2 ПСМ 1.m

Спасибо за покупку! Я буду очень рад, если поставишь справедливую оценку купленному файлу :3 Ищи больше работ в моём профиле, там много нужного тебе!