Для студентов МГТУ им. Н.Э.Баумана по предмету Проектирование операций механической обработкиКурсовая работаКурсовая работа
4,95539
2023-02-122023-02-12СтудИзба
Курсовая работа
-50%
Описание
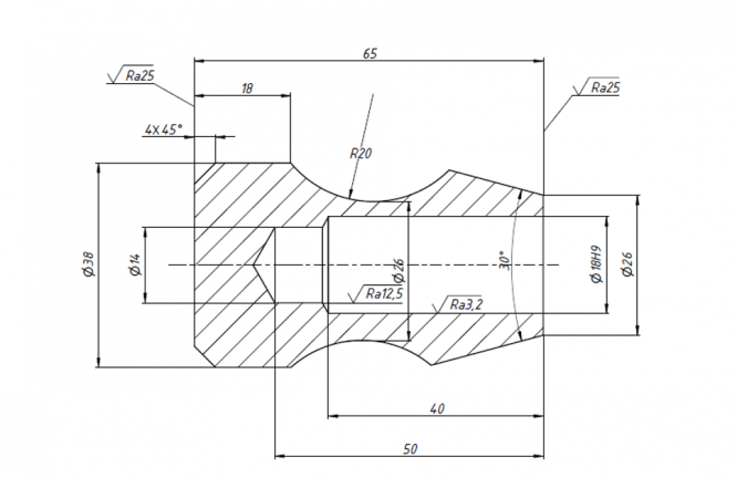
операции для данной детали, спроектирована державка, проги в маткаде для всех операций (режимы), рпз и чертежи

Характеристики курсовой работы
Учебное заведение
Класс
Просмотров
20
Качество
Идеальное компьютерное
Размер
11,94 Mb
Список файлов
Расчёты
Инструмент весь 225 штук
Инструмент весь 225 штук
02I22-1.FRW
G886.frw
G1092.FRW
G1669.frw
G1672a.frw
G1672b.frw
G1672c.frw
G1696.FRW
G2092.frw
G2255.FRW
G3231a.frw
G3231b.frw
G3266.frw
G3752a.frw
G3752b.frw
G3755.FRW
G4010.frw
G4675.FRW
G5348.FRW
G6396.FRW
G6469.FRW
G7063b.frw
G8027.FRW
G8543.FRW
G8721.FRW
G9140a.frw
G9140b.frw
G9304.FRW