Для студентов МГТУ им. Н.Э.Баумана по предмету Проектирование операций механической обработкиРазработка маршрута и операционной технологии изготовления детали "Оправка"Разработка маршрута и операционной технологии изготовления детали "Оправка"
5,0051
2023-11-052023-11-05СтудИзба
Курсовая работа: Разработка маршрута и операционной технологии изготовления детали "Оправка"
Описание
Курсовая по дисциплине: Проектирование операций механической обработки (ПОМО).
В файле имеются:
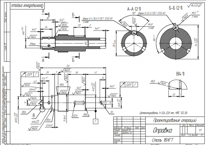
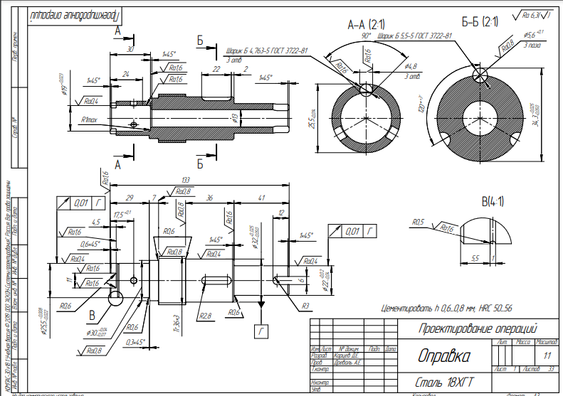
![]()
В файле имеются:
- Все необходимые чертежи и модели в формате Компас
- Оформленные листы (5 листов)
- Расчетно-пояснительная записка в Word
- и различные доп. материалы.



Характеристики курсовой работы
Учебное заведение
Семестр
Просмотров
28
Качество
Идеальное компьютерное
Размер
6,72 Mb
Преподаватели
Список файлов
Курчас ПОМО (8 сем)
PDF листы
123.pdf
1111.pdf
Деталь.pdf
листы.pdf
Модели, чертежи
Деталь — копия.cdw
Деталь.cdw
Деталь.m3d
Деталь1.ipt
инструменты карцев.cdw
листы.cdw
РПЗ
режимы резания
1.xmcd
Документ Microsoft Word.docx
РПЗ Карцев.docx