Для студентов СПГУ по предмету Прикладная механикаРасчет составной конструкцииРасчет составной конструкции
2022-03-022022-03-02СтудИзба
Задача: Расчет составной конструкции вариант 11
Описание
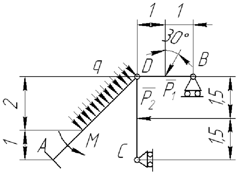
Задание: Найти опорные реакции составной конструкции, которая испытывает воздействие внешней нагрузки.
Дано: P1=8 кН, P2=15 кН, q=2 кН/м, М=28 кН⋅м (рисунок 1).
Найти: опорные реакции составной конструкции, которая испытывает воздействие внешней нагрузки.

Характеристики решённой задачи
Предмет
Учебное заведение
Семестр
Вариант
Программы
Просмотров
4
Размер
124,17 Kb
Список файлов
РГЗ составная конструкция.docx