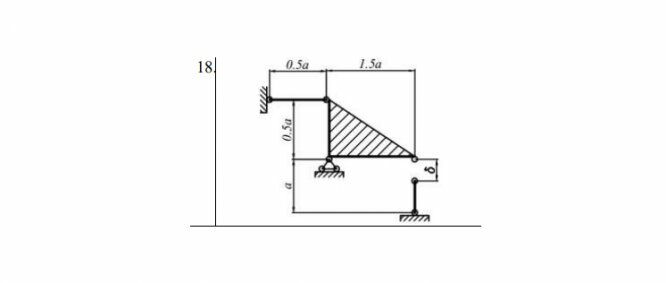
Для студентов МГУЛ по предмету Прикладная механикаСхема №18 (Вариант 1) Задачи №3,6,7,8,10,11,13Схема №18 (Вариант 1) Задачи №3,6,7,8,10,11,13
4,405119
2020-08-132020-08-13СтудИзба
Другое: Схема №18 (Вариант 1) Задачи №3,6,7,8,10,11,13
Описание
Характеристики учебной работы
Тип
Предмет
Учебное заведение
Семестр
Просмотров
46
Размер
3,32 Mb
Список файлов
№3.jpg
№6(стр.1).jpg
№6(стр.2).jpg
№7(стр.1).jpg
№7(стр.2).jpg
№8(стр.1).jpg
№8(стр.2).jpg
№10(стр.1).jpg
№10(стр.2).jpg
№11(стр.1).jpg
№11(стр.2).jpg
№13(стр.1).jpg
№13(стр.2).jpg
МГУЛ
artem_se_putem

















