Для студентов МГТУ им. Н.Э.Баумана по предмету Прикладная механикаМетод конечных элементов в задаче растяжения-сжатияМетод конечных элементов в задаче растяжения-сжатия
5,00562
2025-01-202025-01-20СтудИзба
ДЗ 3: Метод конечных элементов в задаче растяжения-сжатия вариант 15
Описание
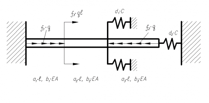
Домашнее задание с двумя пружинами
Для заданной системы требуется:
1. Разбить систему на конечные элементы. Ввести локальные и глобальную систему координат, записать матрицы жесткости каждого конечного элемента.
2. Сформировать СЛАУ для нахождения узловых перемещений системы. Найти узловые перемещения системы.
3. При С→0 и при С→∞ вычислить наибольшее значения осевой силы в системе.
![]()
Для заданной системы требуется:
1. Разбить систему на конечные элементы. Ввести локальные и глобальную систему координат, записать матрицы жесткости каждого конечного элемента.
2. Сформировать СЛАУ для нахождения узловых перемещений системы. Найти узловые перемещения системы.
3. При С→0 и при С→∞ вычислить наибольшее значения осевой силы в системе.
a1 | a2 | a3 | b1 | b2 | b3 | d1 | d2 | f1 | f2 | f3 |
1 | 2 | 3 | 2 | 4 | 4 | 1 | 1 | -2 | 2 | 1 |

Характеристики домашнего задания
Предмет
Учебное заведение
Семестр
Номер задания
Вариант
Программы
Просмотров
4
Качество
Идеальное компьютерное
Размер
832,94 Kb
Преподаватели
Список файлов
ПрикМех_Д33_Вариант_15.docx
ПрикМех_Д33_Вариант_15.pdf