Для студентов МГТУ им. Н.Э.Баумана по предмету Прикладная механикаСтатически неопределимая система растяжения-сжатияСтатически неопределимая система растяжения-сжатия
5,00564
2025-01-202025-01-20СтудИзба
ДЗ 1: Статически неопределимая система растяжения-сжатия вариант 15
Описание
Домашнее задание с двумя пружинами
Для заданной системы требуется:
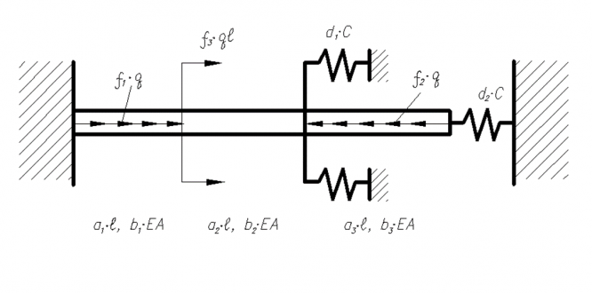
1. Используя метод сил, раскрыть статическую неопределимость. Найти силу в пружинах в зависимости от жесткости С. Вычислить значения силы в пружинах при С→0 и при С→∞ .
2. Изобразить систему при С→0 и при С→∞ . Для каждой системы построить эпюры осевой силы N и осевого перемещения поперечного сечения w. Проверить равенство вычисленной в п.2 силы в пружинах и значения реакций соответствующих связей. Вычислить работу внешних сил и потенциальную энергию деформации системы при С→0 и при С→∞ .
![]()
Для заданной системы требуется:
1. Используя метод сил, раскрыть статическую неопределимость. Найти силу в пружинах в зависимости от жесткости С. Вычислить значения силы в пружинах при С→0 и при С→∞ .
2. Изобразить систему при С→0 и при С→∞ . Для каждой системы построить эпюры осевой силы N и осевого перемещения поперечного сечения w. Проверить равенство вычисленной в п.2 силы в пружинах и значения реакций соответствующих связей. Вычислить работу внешних сил и потенциальную энергию деформации системы при С→0 и при С→∞ .
a1 | a2 | a3 | b1 | b2 | b3 | d1 | d2 | f1 | f2 | f3 |
1 | 2 | 3 | 2 | 4 | 4 | 1 | 1 | -2 | 2 | 1 |

Характеристики домашнего задания
Предмет
Учебное заведение
Семестр
Номер задания
Вариант
Программы
Просмотров
7
Качество
Идеальное компьютерное
Размер
879,3 Kb
Преподаватели
Список файлов
ПрикМех_Д31_Вариант_15.docx
ПрикМех_Д31_Вариант_15.pdf