Для студентов МГТУ им. Н.Э.Баумана по предмету Прикладная механикаМетод начальных параметров в задаче растяжения-сжатияМетод начальных параметров в задаче растяжения-сжатия
5,00564
2025-01-202025-01-20СтудИзба
ДЗ 2: Метод начальных параметров в задаче растяжения-сжатия вариант 15
Описание
Домашнее задание с двумя пружинами
Для заданной системы требуется:
1. Записать в матричном виде уравнения состояния стержня при растяжении сжатии.
2. Разбить систему на отдельные стержни, ввести глобальную и локальные системы координат. Записать в матричном виде уравнения изменения вектора состояния при переходе от левого края системы к ее правому краю. Записать в матричном виде граничные условия. Сформировать СЛАУ для поиска вектора начальных параметров. Найти вектор начальных параметров.
3. Используя метод начальных параметров, вычислить перемещения сечений стержня при С→0 и при С→∞.
![]()
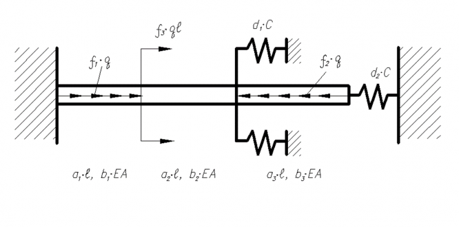
Для заданной системы требуется:
1. Записать в матричном виде уравнения состояния стержня при растяжении сжатии.
2. Разбить систему на отдельные стержни, ввести глобальную и локальные системы координат. Записать в матричном виде уравнения изменения вектора состояния при переходе от левого края системы к ее правому краю. Записать в матричном виде граничные условия. Сформировать СЛАУ для поиска вектора начальных параметров. Найти вектор начальных параметров.
3. Используя метод начальных параметров, вычислить перемещения сечений стержня при С→0 и при С→∞.
a1 | a2 | a3 | b1 | b2 | b3 | d1 | d2 | f1 | f2 | f3 |
1 | 2 | 3 | 2 | 4 | 4 | 1 | 1 | -2 | 2 | 1 |

Характеристики домашнего задания
Предмет
Учебное заведение
Семестр
Номер задания
Вариант
Программы
Просмотров
8
Качество
Идеальное компьютерное
Размер
757,64 Kb
Преподаватели
Список файлов
ПрикМех_Д32_Вариант_15.docx
ПрикМех_Д32_Вариант_15.pdf