Для студентов МГТУ им. Н.Э.Баумана по предмету Прикладная механикаДомашнее задание 2Домашнее задание 2
5,005485
2024-10-072025-09-27СтудИзба
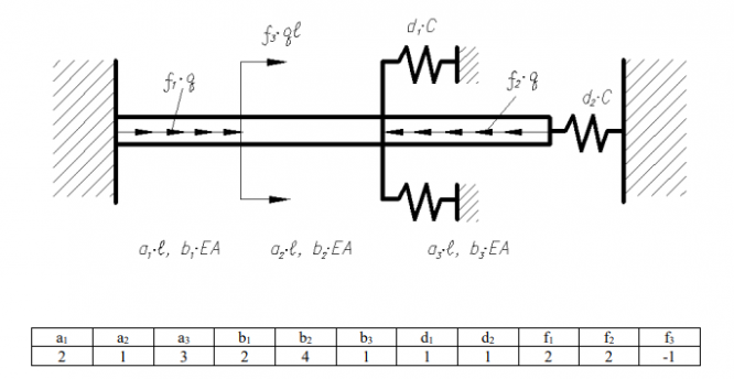
ДЗ 2: Домашнее задание 2 вариант 13
Описание
Характеристики домашнего задания
Предмет
Учебное заведение
Семестр
Номер задания
Вариант
Программы
Теги
Просмотров
12
Качество
Идеальное компьютерное
Размер
734,6 Kb
Преподаватели
Список файлов
ДЗ 2.pdf
Если работа вам понравилась, то оставьте, пожалуйста, отзыв
Комментарии
Нет комментариев
Стань первым, кто что-нибудь напишет!
МГТУ им. Н.Э.Баумана
bruklyn.ben



















