Для студентов МГТУ им. Н.Э.Баумана по предмету Прикладная механикаДомашнее задание 1Домашнее задание 1
5,005479
2024-10-072025-09-27СтудИзба
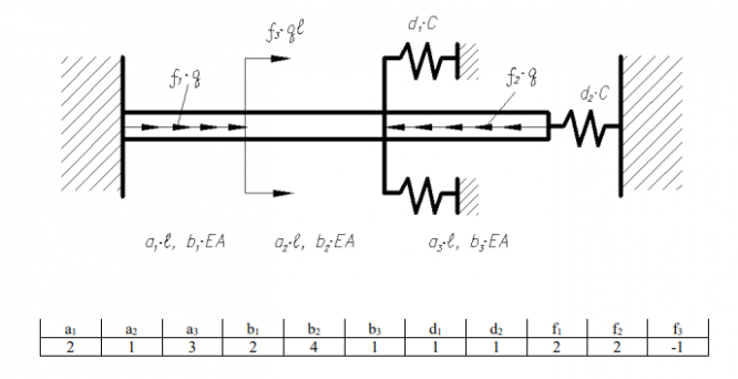
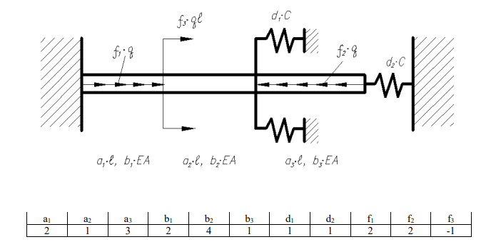
ДЗ 1: Домашнее задание 1 вариант 13
Описание
Характеристики домашнего задания
Предмет
Учебное заведение
Семестр
Номер задания
Вариант
Программы
Теги
Просмотров
11
Качество
Идеальное компьютерное
Размер
947,85 Kb
Преподаватели
Список файлов
ДЗ 1.pdf
Если работа вам понравилась, то оставьте, пожалуйста, отзыв
МГТУ им. Н.Э.Баумана
bruklyn.ben



















