Для студентов МГТУ им. Н.Э.Баумана по предмету Прикладная механикаДомашнее задание №1Домашнее задание №1
5,0051
2023-01-122023-01-12СтудИзба
ДЗ 1: Домашнее задание №1 вариант 5
Описание
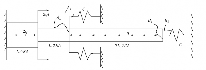
Задание на 2 пружины!!!
Для заданной системы требуется:
1. Используя метод сил, раскрыть статическую неопределимость. Найти силу в пружине в зависимости от жесткости С. Вычислить значения силы в пружине при С→0 и при С→ .
2. Изобразить систему при С→0 и при С→ . Для каждой системы построить эпюры осевой силы N и осевого перемещения поперечного сечения w. Проверить равенство вычисленной в п.2 силы в пружине и значения реакций соответствующих связей. Вычислить работу внешних сил и потенциальную энергию деформации системы при С→0 и при С→ .
Характеристики домашнего задания
Предмет
Учебное заведение
Семестр
Номер задания
Вариант
Просмотров
76
Качество
Идеальное компьютерное
Размер
770,19 Kb
Список файлов
ДЗ1 Прикладная механика РК6.pdf
Комментарии
Нет комментариев
Стань первым, кто что-нибудь напишет!
МГТУ им. Н.Э.Баумана


















