Для студентов МГТУ им. Н.Э.Баумана по предмету ПрактикаТехнологический процесс изготовления опорной втулки - Предприятие ООО «Камоцци-пневматик-СимферопольТехнологический процесс изготовления опорной втулки - Предприятие ООО «Камоцци-пневматик-Симферополь
5,0051
2021-03-142024-09-04СтудИзба
Отчёт по практике: Технологический процесс изготовления опорной втулки - Предприятие ООО «Камоцци-пневматик-Симферополь
-60%
Описание
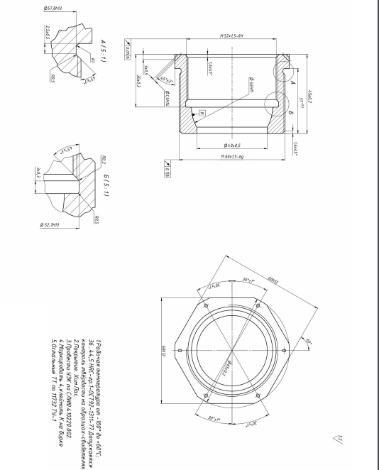
Введение.
Цели:
• Изучение организации и управления предприятия.
• Исследование существующих стандартов, нормативов, технических
условий, инструкций по использованию и техническую документацию
необходимую при производстве продукции.
• Изучение цикла производства пневмооборудования.
• Научиться работать на станках с ЧПУ
Задачи:
• Ознакомиться с процессами изготовления и обработки деталей на
производстве;
• Принять участие в обработке заготовок на металлорежущем
оборудовании;
• Научиться работать инструментами для механической обработки
заготовок (удаление заусенцев шабером, напильником и т.д.);
• Поверхностно изучить программирование на станках с ЧПУ
![]()
Цели:
• Изучение организации и управления предприятия.
• Исследование существующих стандартов, нормативов, технических
условий, инструкций по использованию и техническую документацию
необходимую при производстве продукции.
• Изучение цикла производства пневмооборудования.
• Научиться работать на станках с ЧПУ
Задачи:
• Ознакомиться с процессами изготовления и обработки деталей на
производстве;
• Принять участие в обработке заготовок на металлорежущем
оборудовании;
• Научиться работать инструментами для механической обработки
заготовок (удаление заусенцев шабером, напильником и т.д.);
• Поверхностно изучить программирование на станках с ЧПУ




Характеристики отчёта по практике
Предмет
Учебное заведение
Семестр
Просмотров
232
Размер
755,18 Kb
Список файлов
Технологический процесс изготовления опорной втулки - ООО _Камоцци-пневматик-Симферополь.pdf

Друзья, спасибо за доверие! Если вам понравилась работа – поставьте 5⭐ и напишите отзыв. Это поможет другим студентам, а мне даст силы делать ещё больше качественных материалов для вас 🔥