Для студентов МГТУ им. Н.Э.Баумана по предмету Электротехника (ЭлТех)Цепи синусоидального токаЦепи синусоидального тока
5,00511
2021-02-072025-05-21СтудИзба
ДЗ 2: Цепи синусоидального тока вариант 12
Описание
ДЗ выполнено и зачтено в 2020 году. Преподаватель - Мальцев.
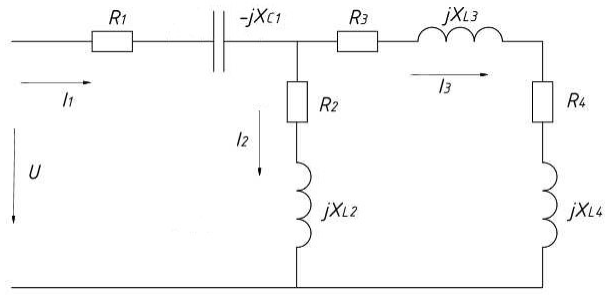
Содержимое: расчёт с использованием законов Кирхгофа, уравнение баланса мощностей, совмещённая диаграмма, определение показаний амперметра, вольтметра и ваттметра, расчёт тока в ветви методом эквивалентного генератора, определение тока и напряжения в ветви при резонансе напряжений, определение токов в ветвях при резонансе токов.
Архив содержит 3 файла. Если ваше задание полностью совпадает с данным, то используйте файл формата pdf. Если необходимо что-то подкорректировать, то используйте файлы форматов docx и xmcd. Файл формата docx содержит содержание, условие, список литературы. Файл формата xmcd содержит решение. Файл pdf является комбинацией этих файлов. Для открытия файла формата xmcd рекомендуется использовать Mathcad 15, так как файл был создан в этой версии программы.
Содержимое: расчёт с использованием законов Кирхгофа, уравнение баланса мощностей, совмещённая диаграмма, определение показаний амперметра, вольтметра и ваттметра, расчёт тока в ветви методом эквивалентного генератора, определение тока и напряжения в ветви при резонансе напряжений, определение токов в ветвях при резонансе токов. Архив содержит 3 файла. Если ваше задание полностью совпадает с данным, то используйте файл формата pdf. Если необходимо что-то подкорректировать, то используйте файлы форматов docx и xmcd. Файл формата docx содержит содержание, условие, список литературы. Файл формата xmcd содержит решение. Файл pdf является комбинацией этих файлов. Для открытия файла формата xmcd рекомендуется использовать Mathcad 15, так как файл был создан в этой версии программы.
Характеристики домашнего задания
Предмет
Учебное заведение
Семестр
Номер задания
Вариант
Программы
Просмотров
235
Качество
Идеальное компьютерное
Размер
2,25 Mb
Список файлов
Вариант 12_ ДЗ 2 - Цепи синусоидального тока.docx
Вариант 12_ ДЗ 2 - Цепи синусоидального тока.pdf
Вариант 12_ ДЗ 2 - Цепи синусоидального тока.xmcd
Комментарии
Нет комментариев
Стань первым, кто что-нибудь напишет!
МГТУ им. Н.Э.Баумана



















