Для студентов МГТУ им. Н.Э.Баумана по предмету Основы вакуумной техники (ОВТ)ДЗ №1 + ДЗ №2ДЗ №1 + ДЗ №2
4,985256
2025-07-222025-07-22СтудИзба
ДЗ 1, 2: ДЗ №1 + ДЗ №2 вариант 5
-50%
Описание
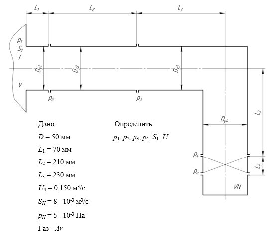
Условие ДЗ №1 (Определение проводимости элемента вакуумной системы методом статистического моделирования):
![]()
Демо ДЗ №1:
![]()
Условие ДЗ №2 (Расчет сорбционных характеристик поглощающих элементов вакуумных систем):
![]()
Демо ДЗ №2:
![]()

Демо ДЗ №1:
Условие ДЗ №2 (Расчет сорбционных характеристик поглощающих элементов вакуумных систем):

Демо ДЗ №2:
Характеристики домашнего задания
Учебное заведение
Вариант
Программы
Теги
Просмотров
1
Качество
Идеальное компьютерное
Размер
102,52 Kb
Преподаватели
Список файлов
С6 ОВТ ДЗ1 Вариант 5.docx
С6 ОВТ ДЗ2 Вариант 5.docx
Если тебе помогла данная работа, поставь оценку ❤️
Комментарии
Нет комментариев
Стань первым, кто что-нибудь напишет!
МГТУ им. Н.Э.Баумана
bomonec
olyazorrina


















