Для студентов НИУ «МЭИ» по предмету Основы теории цепей (ОТЦ)ЛР №5 "Цепи с нелинейным двухполюсником"ЛР №5 "Цепи с нелинейным двухполюсником"
4,97514495
2023-04-302023-04-30СтудИзба
Лабораторная работа: ЛР №5 "Цепи с нелинейным двухполюсником"
-50%
Описание
Зачтенная лабораторная работа по основам теории цепей №5 "Цепи с нелинейным двухполюсником" + код
Цель работы:
1) освоить метод расчета напряжения и тока в цепи с резистивным нелинейным двухполюсником;
2) изучить процессы в диодном выпрямителе
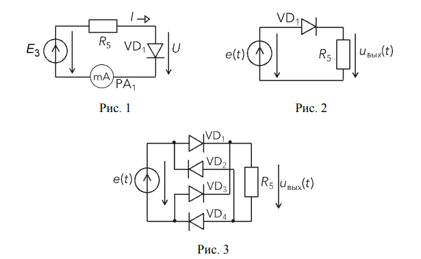
Введение:
Последовательная цепь из полупроводникового диода и нагрузочного резистора (рис. 1); однополупериодный диодный выпрямитель (рис. 2), двухполупериодный диодный выпрямитель (рис. 3)
Пример выполнения:
Показать/скрыть дополнительное описание
Цель работы:
1) освоить метод расчета напряжения и тока в цепи с резистивным нелинейным двухполюсником;
2) изучить процессы в диодном выпрямителе
Введение:
Последовательная цепь из полупроводникового диода и нагрузочного резистора (рис. 1); однополупериодный диодный выпрямитель (рис. 2), двухполупериодный диодный выпрямитель (рис. 3)


Лабораторная работа 4 семестр по основы теории цепей МЭИ.
Характеристики лабораторной работы
Предмет
Учебное заведение
Семестр
Просмотров
4
Качество
Идеальное компьютерное
Размер
595,98 Kb
Список файлов
ЛР 5 ОТЦ 1.pdf
ЛР 5 ОТЦ 1.xmcd

Спасибо за покупку! Я буду очень рад, если поставишь справедливую оценку купленному файлу :3 Ищи больше работ в моём профиле, там много нужного тебе!