Для студентов МГТУ им. Н.Э.Баумана по предмету Основы проектирования режущего инструмента (ОПРИ)Расчет конструктивных и геометрических параметров спирального сверлаРасчет конструктивных и геометрических параметров спирального сверла
4,88584
2023-09-102023-09-10СтудИзба
ДЗ 1: Расчет конструктивных и геометрических параметров спирального сверла
Описание
- ДЗ № 1 по дисциплине "Основы проектирования режущих инструментов" на тему: "Расчет конструктивных и геометрических параметров спирального сверла"
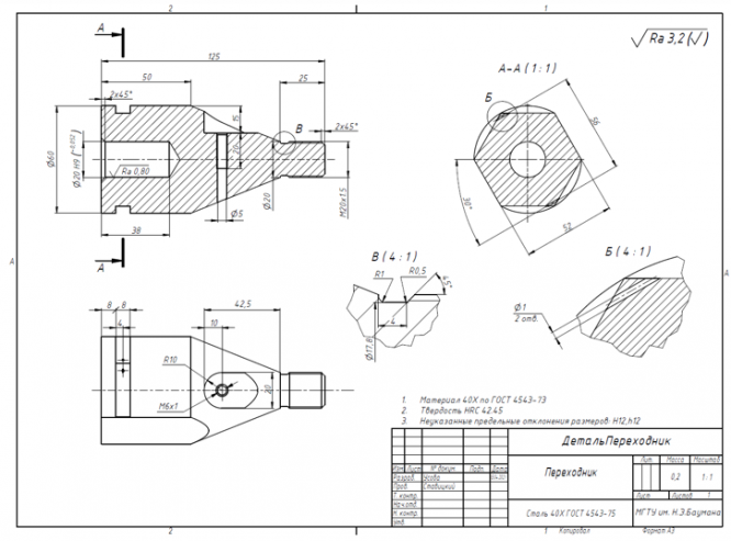
Выполнить расчет и выбор конструктивных и геометрических параметров спирального сверла для изготовления глухого отверстия 20+0.052 мм, Ra0.8, h=38 мм в детали «Переходник», выполненной из материала 40Х твердостью HRC 42.45.
- Файл содержит готовое ДЗ в ворде с титульником. Все верно и зачтено!

Характеристики домашнего задания
Учебное заведение
Семестр
Номер задания
Теги
Просмотров
27
Качество
Идеальное компьютерное
Размер
408,65 Kb
Преподаватели
Список файлов
1ДЗ ОПРИ (отверстие 20+0.052 мм в детали «Переходник»).docx
Комментарии
Нет комментариев
Стань первым, кто что-нибудь напишет!
МГТУ им. Н.Э.Баумана
kinder


















