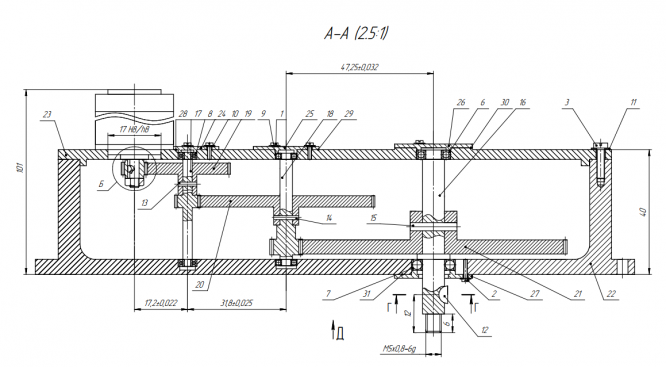
Для студентов МГТУ им. Н.Э.Баумана по предмету Основы конструирования приборов (ОКП)Исполнительный привод - Чертеж общего видаИсполнительный привод - Чертеж общего вида
4,915694
2024-01-032024-01-03СтудИзба
ДЗ 3: Исполнительный привод - Чертеж общего вида вариант 10
Описание
При покупке Вы можете получить подарок 20 руб.
Зачтено на максимальный балл!!!
Идеальное качество файлов, документов 💥 💥 💥
Не только копировать, а нужно понимать!


Характеристики домашнего задания
Учебное заведение
Номер задания
Вариант
Программы
Просмотров
3
Качество
Идеальное компьютерное
Размер
2,98 Mb
Список файлов
ТСЧ.pdf
Расчёт на точность.pdf
ЧертёжОбщегоВида.pdf

Ваше удовлетворение является нашим приоритетом. Вставьте 5 звезд и позитивные комментарии сразу дам Вам подарок. Благодарю за использование моей службы!!