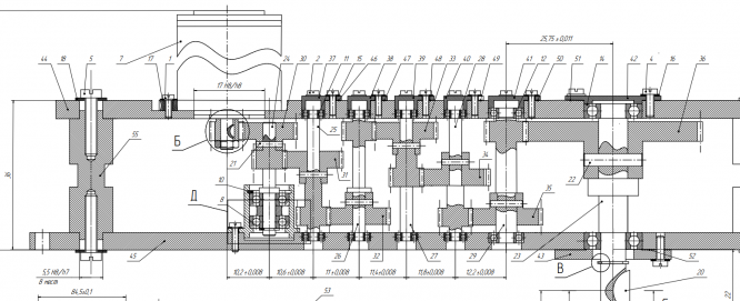
Для студентов МГТУ им. Н.Э.Баумана по предмету Основы конструирования приборов (ОКП)Исполнительный привод - Чертеж общего видаИсполнительный привод - Чертеж общего вида
5,0051
2023-12-242023-12-24СтудИзба
ДЗ 3: Исполнительный привод - Чертеж общего вида вариант 14
Описание
При покупке Вы можете получить подарок 20 руб.
Зачтено на максимальный балл!!!
Идеальное качество файлов, документов 💥 💥 💥
Не только копировать, а нужно понимать!
Характеристики домашнего задания
Учебное заведение
Номер задания
Вариант
Программы
Просмотров
27
Качество
Идеальное компьютерное
Размер
5,16 Mb
Список файлов
Кочетков_чертёж_общего_вида(испр).pdf
Кочетков_расчёт_+точность(1).pdf
TSCH_Kochetkov(1).pdf

Ваше удовлетворение является нашим приоритетом. Вставьте 5 звезд и позитивные комментарии сразу дам Вам подарок. Благодарю за использование моей службы!!