Для студентов МГТУ им. Н.Э.Баумана по предмету Основы конструирования приборов (ОКП)Рулевая машинаРулевая машина
5,00584
2023-09-202024-09-04СтудИзба
Курсовая работа: Рулевая машина
-34%
Описание
В архиве есть готовые файлы к печати!
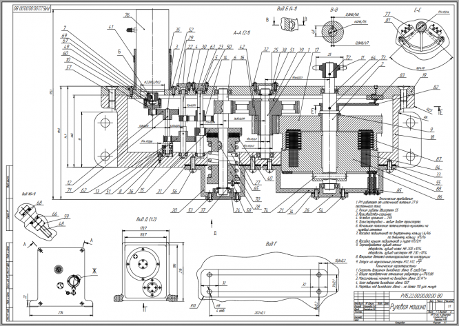
- Листы (Сборочный чертежи; Кинематическая схема; Чертежи деталировки) + Спецификации (в PDF)
- РПЗ в PDF
- Схема сборки в PDF

ИСХОДНЫЕ ДАННЫЕ:

ДЕМО





Рулевая машина.
Характеристики курсовой работы
Учебное заведение
Программы
Просмотров
140
Качество
Идеальное компьютерное
Размер
2,37 Mb
Список файлов
Курсач Жена
Val3detal.pdf
Вал с муфтой.pdf
Вал3сборка.pdf
Втулка1.pdf
ГЧ.pdf
Двигатель в сборе.pdf
ЗК6.pdf
К3.pdf
Крышка корпуса.pdf
Общий вид.pdf
РПЗ.pdf
Рулевая машина _ РЛ5.22.00.00.00.00.pdf
Рулевая_машина_СБ.pdf
СпецификацияВал4сбор.pdf
Схема сборки.pdf
сп_вал3_в сборе.pdf

Если работа Вам была полезна, Пожалуйста, потратьте несколько секунд, чтобы оставить нам 5 ЗВЁЗД и положительный отзывы. Мы Вам глубоко признателены!
Комментарии

dimadima0357: а у Вас нет чертежей не в PDF случайно?)
К сожалению, у меня нету. 😐️

Harvey: Добрый день, в архиве только в PDF.
а у Вас нет чертежей не в PDF случайно?)

dimadima0357: здравствуйте, в архиве только пдф файлы? или же есть чертежи в компасе/автокаде/инвенторе?
Добрый день, в архиве только в PDF.

здравствуйте, в архиве только пдф файлы? или же есть чертежи в компасе/автокаде/инвенторе?