Для студентов МГТУ им. Н.Э.Баумана по предмету Основы автоматики и системы автоматического управленияОЦЕНКА УСТОЙЧИВОСТИ ЛИНЕЙНЫХ САУОЦЕНКА УСТОЙЧИВОСТИ ЛИНЕЙНЫХ САУ
5,0053309
2022-10-042022-10-04СтудИзба
Лабораторная работа 3: ОЦЕНКА УСТОЙЧИВОСТИ ЛИНЕЙНЫХ САУ
Описание
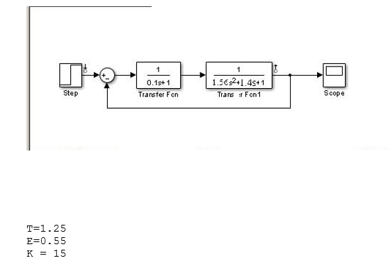
Цель работы: изучение динамических свойств замкнутых систем автоматического регулирования, изучение влияния параметров систем на устойчивость с использованием средств графического пользовательского интерфейса (GUI).
Необходимое оборудование: ПЭВМ, совместимая с IBM PC, пакет Matlab c Simulink и LTI -Viewer под операционной системой Microsoft Windows.
Необходимое оборудование: ПЭВМ, совместимая с IBM PC, пакет Matlab c Simulink и LTI -Viewer под операционной системой Microsoft Windows.

Характеристики лабораторной работы
Учебное заведение
Номер задания
Просмотров
8
Размер
201,55 Kb
Список файлов
Ларионов И.Т 3лаб.docx

Если нужен другой вариант работы или отдельная задача из любой работы, пишите в комментарии