ДЗ: Проектирование специального станочного приспособления

-6%

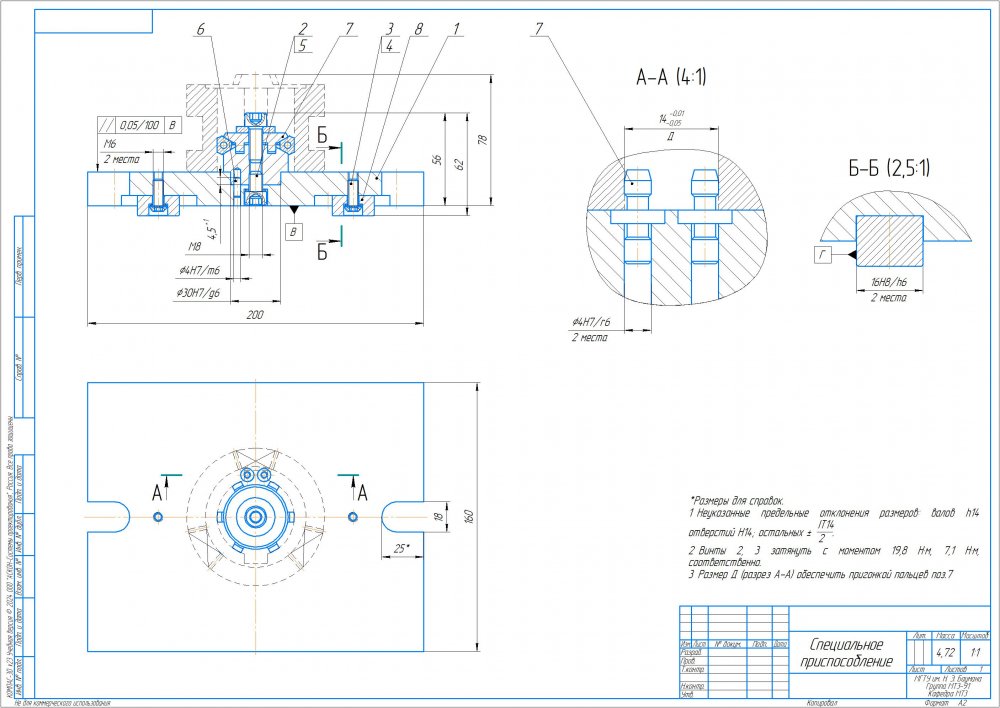
Описание

Домашнее задание по дисциплине "Оснастка технологических комплексов" мт-3
На тему: Проектирование специального станочного приспособления
ВСЕ РАСЧЕТЫ, РПЗ, ЧЕРТЕЖИ, 3Д МОДЕЛИ И СПЕЦИФИКАЦИЯ

СОДЕРЖАНИЕ

1.Проектирование технологического процесса изготовления полумуфты.. 4

1.1.Назначение детали в узле, доработка чертежа по действующим ГОСТ. Обоснование выбранного конструктором материала детали: условия эксплуатации, критерии выбора, возможные варианты.. 4

1.2.Выявление технологических задач. 4

1.3.Выбор баз, разработка маршрута изготовления детали, выбор моделей оборудования. Оформление эскизов операций с обозначениями баз по ГОСТ, указанием моделей оборудования и станочных приспособлений. 4

1.4.Разработка операционной технологии с выбором моделей оборудования, моделей режущих инструментов, инструментальной оснастки и нормированием.. 6

2.Конструирование и расчет приспособления. 7

2.1.Разработка схемы приспособления. 7

2.2.Выбор установочных, зажимных и других элементов приспособлений. Назначение материалов деталей приспособления. 8

2.3.Составление схемы сил, действующих на заготовку, и расчет зажимного устройства. 9

2.4.Назначение технических требований на приспособление с расчетом обеспечения заданной точности детали. 13

2.4.1.Назначение технических требований. 13

2.4.2.Оценка точности приспособления. 15

2.5.Оформление сборочного чертежа приспособления, составление спецификации. 18

2.6.Описание конструкции и работы приспособления. 18

Список литературы.. 19

Приложение А.. 20

Приложение Б. 22


Характеристики домашнего задания

Учебное заведение
Теги
Просмотров
2
Качество
Идеальное компьютерное
Размер
3,02 Mb

Список файлов

Винт M8-6gx12.68 (S6) ГОСТ 11738-84.m3d
Винт М8 ГОСТ 11738-84.m3d
Винт с полукруглой головкой и шестигранным углублением ГОСТ ISO 7380-1 M6x16-08.8.m3d
Корпус.m3d
Крышка.m3d
Палец 7030-0902 4 g6 ГОСТ 12209-66.m3d
Плита.m3d
Полумуфта (заготовка).m3d
Полумуфта (чертёж).cdw
Пояснительная записка.docx
Сборочный чертеж.cdw
Специальное приспособление.a3d
Специальное приспособление.stp
Спецификация.spw
Центрирующая оправка Kipp K0358.203908.a3d
Шайба 6 3Х13 ГОСТ 6402-70.m3d
Шайба 8 3Х13 ГОСТ 6402-70.m3d
Шайба.m3d
Шестигранный сегмент.m3d
Шпонка Haas 16 ММ Vise Key.m3d
Штифт 4x16 ГОСТ 3128-70.m3d
Картинка-подпись
Спасибо за покупку! Я буду очень рад, если поставишь справедливую оценку купленному файлу

Комментарии

Нет комментариев
Стань первым, кто что-нибудь напишет!
Поделитесь ссылкой:
Цена: 790 739 руб.
Расширенная гарантия +3 недели гарантии, +10% цены
Рейтинг автора
4,99 из 5
Поделитесь ссылкой:
Сопутствующие материалы

Подобрали для Вас услуги

-50%
Вы можете использовать домашнюю работу для примера, а также можете ссылаться на неё в своей работе. Авторство принадлежит автору работы, поэтому запрещено копировать текст из этой работы для любой публикации, в том числе в свою домашнюю работу в учебном заведении, без правильно оформленной ссылки. Читайте как правильно публиковать ссылки в своей работе.
Свежие статьи
Популярно сейчас
Почему делать на заказ в разы дороже, чем купить готовую учебную работу на СтудИзбе? Наши учебные работы продаются каждый год, тогда как большинство заказов выполняются с нуля. Найдите подходящий учебный материал на СтудИзбе!
Ответы на популярные вопросы
Да! Наши авторы собирают и выкладывают те работы, которые сдаются в Вашем учебном заведении ежегодно и уже проверены преподавателями.
Да! У нас любой человек может выложить любую учебную работу и зарабатывать на её продажах! Но каждый учебный материал публикуется только после тщательной проверки администрацией.
Вернём деньги! А если быть более точными, то автору даётся немного времени на исправление, а если не исправит или выйдет время, то вернём деньги в полном объёме!
Да! На равне с готовыми студенческими работами у нас продаются услуги. Цены на услуги видны сразу, то есть Вам нужно только указать параметры и сразу можно оплачивать.
Отзывы студентов
Ставлю 10/10
Все нравится, очень удобный сайт, помогает в учебе. Кроме этого, можно заработать самому, выставляя готовые учебные материалы на продажу здесь. Рейтинги и отзывы на преподавателей очень помогают сориентироваться в начале нового семестра. Спасибо за такую функцию. Ставлю максимальную оценку.
Лучшая платформа для успешной сдачи сессии
Познакомился со СтудИзбой благодаря своему другу, очень нравится интерфейс, количество доступных файлов, цена, в общем, все прекрасно. Даже сам продаю какие-то свои работы.
Студизба ван лав ❤
Очень офигенный сайт для студентов. Много полезных учебных материалов. Пользуюсь студизбой с октября 2021 года. Серьёзных нареканий нет. Хотелось бы, что бы ввели подписочную модель и сделали материалы дешевле 300 рублей в рамках подписки бесплатными.
Отличный сайт
Лично меня всё устраивает - и покупка, и продажа; и цены, и возможность предпросмотра куска файла, и обилие бесплатных файлов (в подборках по авторам, читай, ВУЗам и факультетам). Есть определённые баги, но всё решаемо, да и администраторы реагируют в течение суток.
Маленький отзыв о большом помощнике!
Студизба спасает в те моменты, когда сроки горят, а работ накопилось достаточно. Довольно удобный сайт с простой навигацией и огромным количеством материалов.
Студ. Изба как крупнейший сборник работ для студентов
Тут дофига бывает всего полезного. Печально, что бывают предметы по которым даже одного бесплатного решения нет, но это скорее вопрос к студентам. В остальном всё здорово.
Спасательный островок
Если уже не успеваешь разобраться или застрял на каком-то задание поможет тебе быстро и недорого решить твою проблему.
Всё и так отлично
Всё очень удобно. Особенно круто, что есть система бонусов и можно выводить остатки денег. Очень много качественных бесплатных файлов.
Отзыв о системе "Студизба"
Отличная платформа для распространения работ, востребованных студентами. Хорошо налаженная и качественная работа сайта, огромная база заданий и аудитория.
Отличный помощник
Отличный сайт с кучей полезных файлов, позволяющий найти много методичек / учебников / отзывов о вузах и преподователях.
Отлично помогает студентам в любой момент для решения трудных и незамедлительных задач
Хотелось бы больше конкретной информации о преподавателях. А так в принципе хороший сайт, всегда им пользуюсь и ни разу не было желания прекратить. Хороший сайт для помощи студентам, удобный и приятный интерфейс. Из недостатков можно выделить только отсутствия небольшого количества файлов.
Спасибо за шикарный сайт
Великолепный сайт на котором студент за не большие деньги может найти помощь с дз, проектами курсовыми, лабораторными, а также узнать отзывы на преподавателей и бесплатно скачать пособия.
Популярные преподаватели
Добавляйте материалы
и зарабатывайте!
Продажи идут автоматически
7245
Авторов
на СтудИзбе
247
Средний доход
с одного платного файла
Обучение Подробнее