Для студентов МГТУ им. Н.Э.Баумана по предмету Начертательная геометрияЗадача 4Задача 4
5,0055
2023-09-172024-09-04СтудИзба
Вариант 10 - ДЗ №4 "Начертательная геометрия"
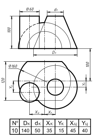
Задача 4 вариант 10
-60%
Описание
Типовой расчет по начертательной геометрии №4, зачтенная задача в отличном качестве
Условие:
Пример оформления:
Показать/скрыть дополнительное описание
Условие:


Домашнее задание по начерт МГТУ 1 семестр типовик.
Характеристики решённой задачи
Предмет
Учебное заведение
Семестр
Номер задания
Вариант
Просмотров
42
Качество
Фото рукописных листов
Размер
983,93 Kb
Список файлов
6.jpg

Спасибо за покупку! Я буду очень рад, если поставишь справедливую оценку купленному файлу :3 Ищи больше работ в моём профиле, там много нужного тебе!