Для студентов МГТУ им. Н.Э.Баумана по предмету Метрология, стандартизация и сертификация (МСиС)Сборочная размерная цепь + Подетальная размерная цепьСборочная размерная цепь + Подетальная размерная цепь
5,0052
2020-11-162020-11-16СтудИзба
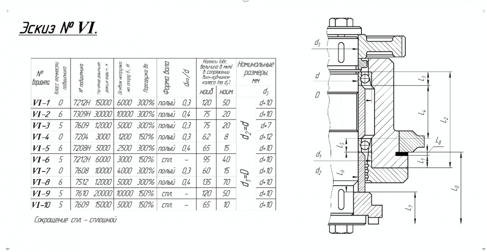
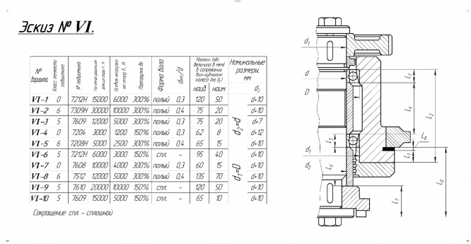
ДЗ 2: Сборочная размерная цепь + Подетальная размерная цепь вариант 9
Описание
Характеристики домашнего задания
Учебное заведение
Номер задания
Вариант
Теги
Просмотров
59
Размер
1,1 Mb
Список файлов
Комментарии
Нет комментариев
Стань первым, кто что-нибудь напишет!
МГТУ им. Н.Э.Баумана



















