Для студентов МГТУ им. Н.Э.Баумана по предмету Технология конструкционных материалов (ТКМ)Механическая обработка заготовок деталей машин - СтопорМеханическая обработка заготовок деталей машин - Стопор
5,00510
2023-05-202023-05-20СтудИзба
ДЗ 3: Механическая обработка заготовок деталей машин - Стопор вариант 1, 7
Описание
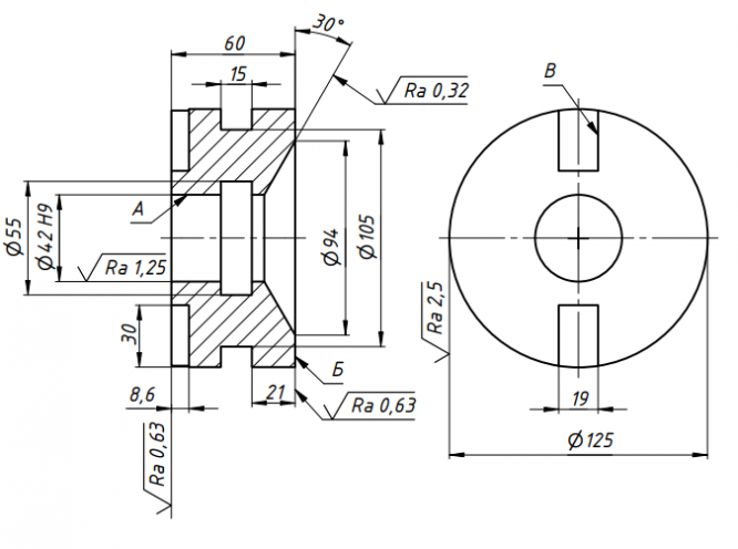
Задание 1.
Для поверхностей (А, Б, В), указанных на чертеже, выбрать методы и способы их обработки согласно требованиям к точности размеров и шероховатости поверхности, установленным чертежом детали. С учетом типа производства или объема выпуска для выбранных способов обработки указанных поверхностей назначить тип оборудования, режущего инструмента и разработать последовательность обработки каждой из поверхностей.
Задание №2.
Оценить технологичность детали и дать уточненный чертеж детали.
Характеристики домашнего задания
Учебное заведение
Номер задания
Просмотров
123
Размер
330,43 Kb
Преподаватели
Список файлов
2 лист.pdf
3 лист.pdf
4 лист.pdf
5 лист.pdf
1 лист.pdf
стопор.ipt
ТКМ ДЗ2-Вариант 1.docx
Комментарии
Нет комментариев
Стань первым, кто что-нибудь напишет!
МГТУ им. Н.Э.Баумана


















