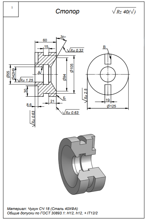
Для студентов МГТУ им. Н.Э.Баумана по предмету Технология конструкционных материалов (ТКМ)Механическая обработка заготовок деталей машин - СтопорМеханическая обработка заготовок деталей машин - Стопор
5,0059
2020-12-242020-12-24СтудИзба
ДЗ 3: Механическая обработка заготовок деталей машин - Стопор вариант 1, 7
Описание

Характеристики домашнего задания
Учебное заведение
Номер задания
Просмотров
201
Размер
323,64 Kb
Список файлов
ТКМ Резание.docx
Комментарии
Нет комментариев
Стань первым, кто что-нибудь напишет!
МГТУ им. Н.Э.Баумана


















