Для студентов СПбПУ Петра Великого по предмету Метрология, стандартизация и сертификация (МСиС)Расчет и назначение технических требований на чертежахРасчет и назначение технических требований на чертежах
5,0053287
2024-02-242024-02-24СтудИзба
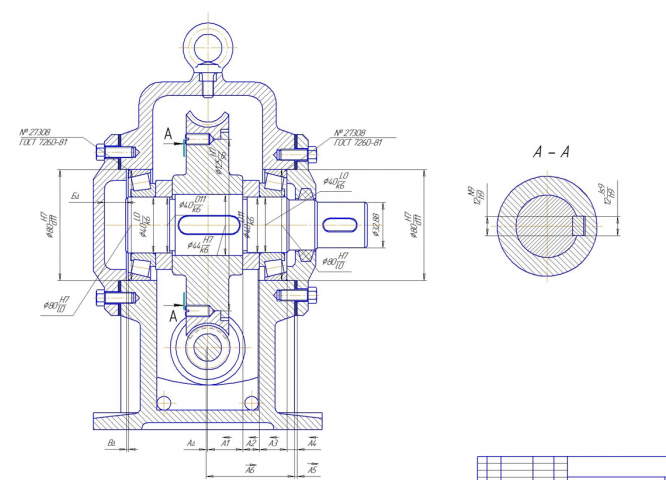
Курсовая работа: Расчет и назначение технических требований на чертежах
Описание
Характеристики курсовой работы
Учебное заведение
Просмотров
1
Размер
4,24 Mb
Список файлов
InkedВал_LI.jpg
InkedВсе цепи_LI.jpg
InkedКолесо червячное_LI.jpg
главный вид.jpg
пз.docx

Если нужен другой вариант работы или отдельная задача из любой работы, пишите в комментарии