Для студентов СПбПУ Петра Великого по предмету Метрология, стандартизация и сертификация (МСиС)Расчет и назначение технических требований на чертежахРасчет и назначение технических требований на чертежах
5,0053332
2024-02-242024-02-24СтудИзба
Курсовая работа: Расчет и назначение технических требований на чертежах
Описание
Для определения допусков формы и расположения был выбран способ расчета на максимум-минимум, как наиболее универсальный и наглядный. Он базируется на допущении о самом неблагоприятном сочетании отклонений у деталей в изделии. Допуски, рассчитанные способом максимум - минимум, получаются жесткими, что резко удорожает производство.
Для выполнения курсового проекта преподавателем был выдан чертеж редуктора.
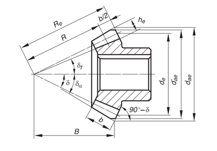
Конический редуктор — это самостоятельный механизм, который при помощи муфт или открытых передач соединяется с электродвигателем и рабочей машиной. Выполняется в виде агрегата, предназначенного для передачи мощности от двигателя к остальным рабочим механизмам. Основным предназначением прибора является повышение вращающего момента ведомого вала при одновременном снижении угловой скорости.
Для выполнения курсового проекта преподавателем был выдан чертеж редуктора.
Конический редуктор — это самостоятельный механизм, который при помощи муфт или открытых передач соединяется с электродвигателем и рабочей машиной. Выполняется в виде агрегата, предназначенного для передачи мощности от двигателя к остальным рабочим механизмам. Основным предназначением прибора является повышение вращающего момента ведомого вала при одновременном снижении угловой скорости.


Характеристики курсовой работы
Учебное заведение
Просмотров
1
Размер
109,58 Kb
Список файлов
ПЗ_МСС.docx

Если нужен другой вариант работы или отдельная задача из любой работы, пишите в комментарии