Ответы к контрольной работе 1: КСР 1 - вариант 1.12 вариант 12
Описание



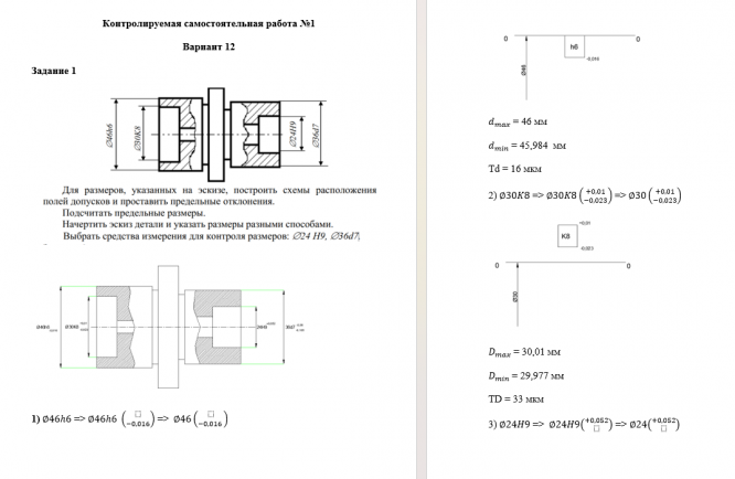
Для размеров, указанных на эскизе, построить схемы расположения
полей допусков и проставить предельные отклонения.
Подсчитать предельные размеры.
Начертить эскиз детали и указать размеры разными способами.
Выбрать средства измерения для контроля размеров: 24 H9, 36d7.
Задание 2.
Начертить схемы расположения полей допусков посадок:
1) 18 D10/h10; 2) 32 H8/m7; 3) 30 U8/h7;
4) 14 H9/d9; 5) 65 M7/h6; 6) 24 H8/s7.
Подсчитать характеристики посадок (предельные и средние зазоры
(натяги) и допуски посадок).
Задание 3.
Дать пример обозначения предпочтительной переходной посадки в
системе отверстия.
Построить схемы расположения полей допусков и подсчитать
характеристики посадки.
Показать, как изменятся характеристики посадки при изменении
допусков соединяемых деталей на один квалитет.
Задание 4.
Для соединения зубчатого колеса с валом выбрать
посадку с натягом по расчетным значениям предельных
натягов:
Nmax расч = 90 мкм; Nmin расч = 30 мкм.
Номинальный размер d = 36 мм.
d |
Показать/скрыть дополнительное описание
Задание 1. Для размеров, указанных на эскизе, построить схемы расположения полей допусков и проставить предельные отклонения. Подсчитать предельные размеры. Начертить эскиз детали и указать размеры разными способами. Выбрать средства измерения для контроля размеров: 24 H9, 36d7. Задание 2. Начертить схемы расположения полей допусков посадок: 1) 18 D10/h10 ; 2) 32 H8/m7 ; 3) 30 U8/h7 ; 4) 14 H9/d9 ; 5) 65 M7/h6 ; 6) 24 H8/s7 . Подсчитать характеристики посадок (предельные и средние зазоры (натяги) и допуски посадок). Задание 3. Дать пример обозначения предпочтительной переходной посадки в системе отверстия. Построить схемы расположения полей допусков и подсчитать характеристики посадки.
Показать, как изменятся характеристики посадки при изменении допусков соединяемых деталей на один квалитет. Задание 4. Для соединения зубчатого колеса с валом выбрать посадку с натягом по расчетным значениям предельных натягов: N max расч = 90 мкм; N min расч = 30 мкм. Номинальный размер d = 36 мм. d .
Характеристики ответов (шпаргалок) к КР
Список файлов
