Для студентов МГТУ им. Н.Э.Баумана по предмету Металлорежущее оборудованиеТокарно-револьверный многооперационный станок с ЧПУТокарно-револьверный многооперационный станок с ЧПУ
5,0051
2021-03-062024-09-03СтудИзба
Курсовая работа: Токарно-револьверный многооперационный станок с ЧПУ
-41%
Описание
Характеристики курсовой работы
Предмет
Учебное заведение
Просмотров
53
Размер
472,19 Kb
Список файлов
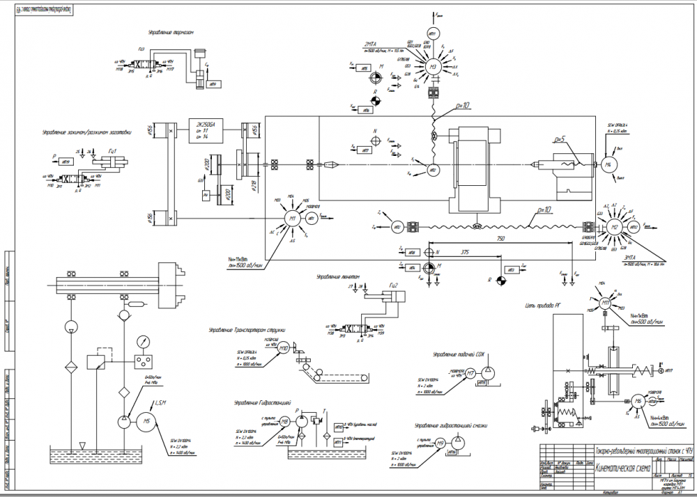
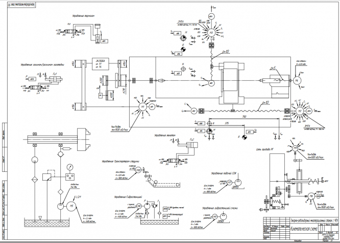
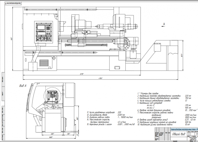
Токарно-револьверный многооперационный станок с ЧПУ
Кинематическая Схема.pdf
общий вид.pdf
технология диплом.pdf
шпиндельный узел.pdf

Друзья, спасибо за доверие! Если вам понравилась работа – поставьте 5⭐ и напишите отзыв. Это поможет другим студентам, а мне даст силы делать ещё больше качественных материалов для вас 🔥