Задача 3: Задача 3-13 вариант 13
Описание
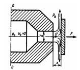
Для сопла-заслонки, изображенной на схеме, определить силу, с которой жидкость воздействует на заслонку в следующих случаях: 1) когда заслонка плотно прижата к торцу сопла (x = 0) и истечения жидкости не происходит и 2) когда расстояние к достаточно велико и истечение происходит так, как показано на схеме. Давление в широкой части сопла (сечение 0-0) P0 = 3 МПа, скорость v0= 0 в обоих случаях. Диаметр выходного канала сопла d = 2 мм; а коэффициент расхода μ= φ = 0,85. Чему было бы равно отношение сил F2/F1 в двух случаях при отсутствии потерь напора в сопле? Указание. Во 2-м случае следует записать уравнение количества движения в направлении струи.
![]()

Характеристики решённой задачи
Номер задания
Вариант
Программы
Теги
Просмотров
11
Качество
Идеальное компьютерное
Размер
19,44 Kb
Список файлов
3-13.docx
Комментарии
Нет комментариев
Стань первым, кто что-нибудь напишет!
A45162





















