Вода (р=1000 кг/м3) перетекает из верхнего резервуара в нижний по расширяющейся трубе - диффузору, имеющему малый угол конусности и плавно закругленный вход. Пренебрегая потерей напора на входе в диффузор, определить, при каком уровне воды Н1 в верхн
Описание
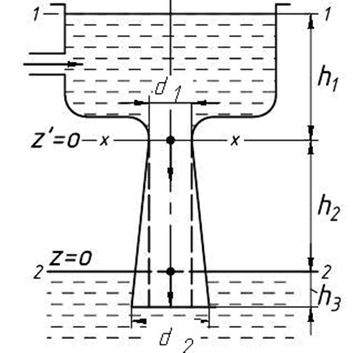
Вода (р=1000 кг/м3) перетекает из верхнего резервуара в нижний по расширяющейся трубе - диффузору, имеющему малый угол конусности и плавно закругленный вход. Пренебрегая потерей напора на входе в диффузор, определить, при каком уровне воды Н1 в верхнем резервуаре абсолютное давление в узком сечении 1-1 диффузора сделается равным нулю. Коэффициент сопротивления диффузора (ξдиф = 0,2). Размеры: d1 = 100 мм; d2=150 мм; H2 = 1,15 м. Учесть потерю на внезапное расширение при выходе из диффузора. Атмосферное давление 750 мм рт. ст.

Характеристики решённой задачи
Номер задания
Вариант
Программы
Теги
Просмотров
12
Качество
Идеальное компьютерное
Размер
35,23 Kb
Список файлов
2-11.docx
Комментарии
Нет комментариев
Стань первым, кто что-нибудь напишет!
A45162




















