Для студентов МГТУ им. Н.Э.Баумана по предмету Механика жидкости и газа (МЖГ или Гидравлика)Задача 10-29Задача 10-29
5,0052
2025-05-142025-09-07СтудИзба
Задача 10: Задача 10-29 вариант 29
Описание
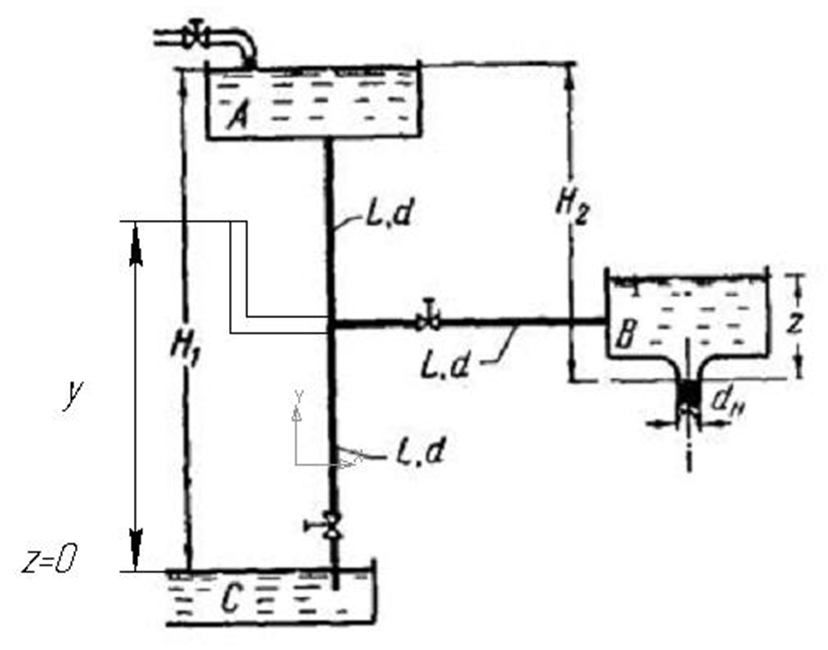
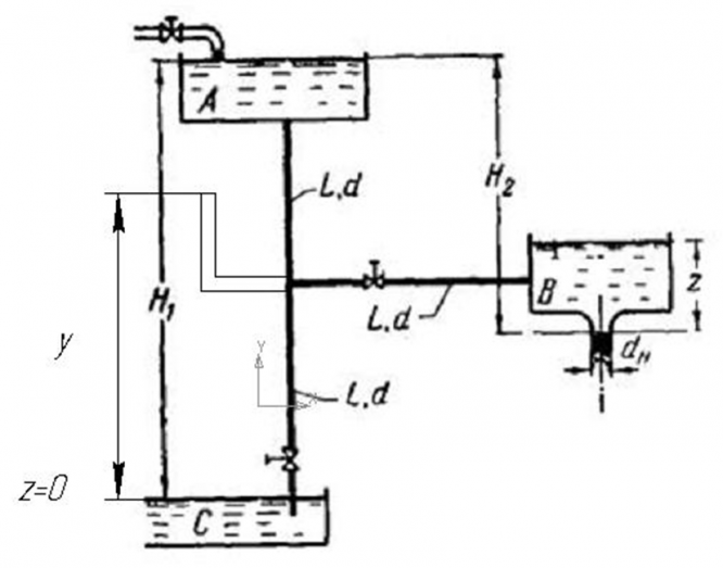
Из бака А с постоянным уровнем вода поступает в баки В и С по одинаковым трубам L = 100 м, d = 50 мм (λ = 0,03). Из бака В вода вытекает в атмосферу через сходящийся насадок диаметрами dн = 25 мм (ξ = 0,04, ε = 1) при постоянном напоре z.
Определить расходы в каждой из труб при напорах H1 = 15 м и H2 = 10 м и полностью открытых кранах (ξ = 0).
Какими станут расходы и напор z, если полностью закрыть кран на трубе, ведущей в бак С?
![]()
Определить расходы в каждой из труб при напорах H1 = 15 м и H2 = 10 м и полностью открытых кранах (ξ = 0).
Какими станут расходы и напор z, если полностью закрыть кран на трубе, ведущей в бак С?

Характеристики решённой задачи
Учебное заведение
Номер задания
Вариант
Программы
Теги
Просмотров
21
Качество
Идеальное компьютерное
Размер
49,34 Kb
Преподаватели
Список файлов
Задача10.29.docx