Для студентов по предмету Механика жидкости и газа (МЖГ или Гидравлика)Задача 9-9Задача 9-9
5,00516
2025-04-282025-09-07СтудИзба
Задача 9: Задача 9-9 вариант 9
Описание
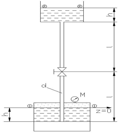
Вода подается в открытый верхний бак по вертикальной трубе (d = 25мм; l = 3 м; h = 0,5м) за счет избыточного давления М в нижнем замкнутом баке. Определить давление М, при котором расход будет равен Q= 1,5 л/сек. Коэффициент сопротивления полностью открытого вентиля ξ = 9,3. Коэффициент сопротивления трения определить по заданной шероховатости трубы 0,2 мм, предполагая наличие квадратичного режима. Построить график напоров по высоте трубы.
![]()

Характеристики решённой задачи
Номер задания
Вариант
Программы
Теги
Просмотров
78
Качество
Идеальное компьютерное
Размер
20,96 Kb
Список файлов
Задача9.9.docx
Комментарии
Нет комментариев
Стань первым, кто что-нибудь напишет!
A45162






















