Задача 9: Задача 9-11 вариант 11
Описание
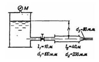
Задача (Куколевский И.И.) 9-11. Для горизонтального трубопровода, размеры которого указаны на схеме, определить расход Q при заданном давлении М = 4 атм и уровне воды в резервуаре Н = 5 м. Коэффициенты сопротивления вентиля С = 4 и сопла ξ = 0,06 (сжатие струи на выходе из сопла отсутствует). Шероховатость каждого из участков трубопровода 1 мм (старые водопроводные трубы). Как изменится Q, если диаметр первого участка увеличить до d1 = 200 мм? Построить графики напоров по длине трубопровода.
![]()

Характеристики решённой задачи
Номер задания
Вариант
Программы
Теги
Просмотров
117
Качество
Идеальное компьютерное
Размер
515,01 Kb
Список файлов
Задача9.11.docx
Комментарии
Нет комментариев
Стань первым, кто что-нибудь напишет!
A45162






















