Для студентов УГНТУ по предмету Механика жидкости и газа (МЖГ или Гидравлика)Определить давление газа в баллоне по показанию h двухжидкостного чашечного микроманометра, заполненного жидкостями, имеющими плотность ρ1 и ρ2, если Определить давление газа в баллоне по показанию h двухжидкостного чашечного микроманометра, заполненного жидкостями, имеющими плотность ρ1 и ρ2, если
5,00518170
2024-10-022024-10-02СтудИзба
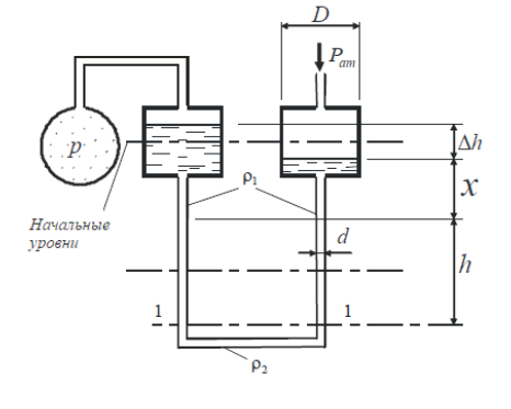
Определить давление газа в баллоне по показанию h двухжидкостного чашечного микроманометра, заполненного жидкостями, имеющими плотность ρ1 и ρ2, если задано d и D.
Описание
Определить давление газа в баллоне по показанию h двухжидкостного чашечного микроманометра, заполненного жидкостями, имеющими плотность ρ1 и ρ2, если задано d и D.
Рисунок 1.1 – Расчетная схема к задаче № 1
Таблица 1.1 – Данные к задаче № 1
Величина | Вариант (последняя цифра зачетной книжки) |
1 | |
D, м | 0,2 |
d, мм | 5 |
| Вариант (предпоследняя цифра зачетной книжки) |
0 | |
ρ2, кг/м3 | 1260 |
ρ1, кг/м3 | 740 |
h, м | 0,4 |
Характеристики решённой задачи
Учебное заведение
Номер задания
Вариант
Программы
Теги
Просмотров
3
Качество
Идеальное компьютерное
Размер
48,5 Kb
Список файлов
Задача.docx
