Для студентов УГНТУ по предмету Механика жидкости и газа (МЖГ или Гидравлика)В конце системы, состоящей из двух последовательно соединенных стальных трубопроводов установлена задвижка. Определить повышение давления перед задвижВ конце системы, состоящей из двух последовательно соединенных стальных трубопроводов установлена задвижка. Определить повышение давления перед задвиж
5,00518051
2024-10-022024-10-02СтудИзба
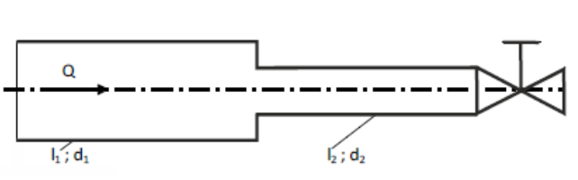
В конце системы, состоящей из двух последовательно соединенных стальных трубопроводов установлена задвижка. Определить повышение давления перед задвижкой при её закрывании, если время закрывания t; расход воды Q; диаметры трубопроводов d1, d2; длины
Описание
В конце системы, состоящей из двух последовательно соединенных стальных трубопроводов установлена задвижка. Определить повышение давления перед задвижкой при её закрывании, если время закрывания t; расход воды Q; диаметры трубопроводов d1, d2; длины l1, l2. Определить наименьшее время закрывания задвижки, исключающее прямой гидравлический удар. Толщина стенок трубопровода δ, температура воды T.
Рисунок 2.6 – Расчетная схема к задаче № 8
Таблица 2.8 – Данные к задаче № 8
Величина | Вариант (последняя цифра зачетной книжки) |
1 | |
t, с | 0,2 |
Q, м3/с | 0,02 |
d1, м | 0,2 |
d2, м | 0,1 |
l1, м | 200 |
l2, м | 400 |
| Вариант (предпоследняя цифра зачетной книжки) |
0 | |
δ, мм | 5 |
T, °С | 10 |
Характеристики решённой задачи
Учебное заведение
Номер задания
Вариант
Программы
Теги
Просмотров
2
Качество
Идеальное компьютерное
Размер
41 Kb
Список файлов
Задача.docx
