Для студентов УГНТУ по предмету Механика жидкости и газа (МЖГ или Гидравлика)В бак, разделенный на две секции перегородкой, имеющей круглое отверстие диаметром d с острой кромкой, поступает вода в количестве Q. Из каждой секцииВ бак, разделенный на две секции перегородкой, имеющей круглое отверстие диаметром d с острой кромкой, поступает вода в количестве Q. Из каждой секции
5,0051
2024-10-022024-10-02СтудИзба
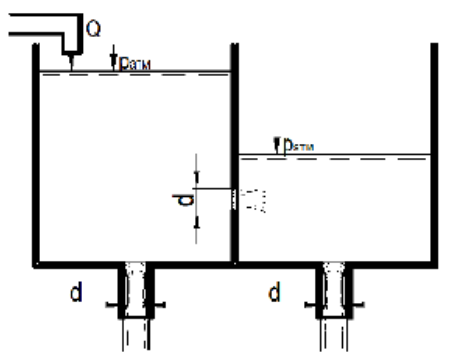
В бак, разделенный на две секции перегородкой, имеющей круглое отверстие диаметром d с острой кромкой, поступает вода в количестве Q. Из каждой секции вода вытекает через цилиндрический насадок, диаметр которого равен диаметру отверстия в перегородке
Описание
В бак, разделенный на две секции перегородкой, имеющей круглое отверстие диаметром d с острой кромкой, поступает вода в количестве Q. Из каждой секции вода вытекает через цилиндрический насадок, диаметр которого равен диаметру отверстия в перегородке. Определить расход через каждый насадок при установившемся режиме, предполагая, что отверстия в перегородке является затопленным. Как надо изменить диаметр насадка в левой секции, чтобы расходы через оба насадка стали равными между собой?
Рисунок 2.5 – Расчетная схема к задаче № 7
Таблица 2.7 – Данные к задаче № 7
Величина | Вариант (последняя цифра зачетной книжки) |
1 | |
Q, л/с | 80 |
| Вариант (предпоследняя цифра зачетной книжки) |
0 | |
d, мм | 65 |
Характеристики решённой задачи
Учебное заведение
Номер задания
Вариант
Программы
Теги
Просмотров
9
Качество
Идеальное компьютерное
Размер
54,95 Kb
Список файлов
Задача.docx
