Главная » Учебные материалы » Механика жидкости и газа (МЖГ или Гидравлика) » Решения задач » УГНТУ » Несколько классов/семестров » Номер 2.2 » Вариант 01 » По наклонному трубопроводу диаметром d подается вода в количестве Q. Давление воды в начальном участке сечения трубопровода р1. Определить давление во втором сечении, учитывая, что центр тяжести второго сечения расположен на 5 м ниже центра тяжести н
Для студентов УГНТУ по предмету Механика жидкости и газа (МЖГ или Гидравлика)По наклонному трубопроводу диаметром d подается вода в количестве Q. Давление воды в начальном участке сечения трубопровода р1. Определить давление воПо наклонному трубопроводу диаметром d подается вода в количестве Q. Давление воды в начальном участке сечения трубопровода р1. Определить давление во
5,00518337
2024-10-02СтудИзба

По наклонному трубопроводу диаметром d подается вода в количестве Q. Давление воды в начальном участке сечения трубопровода р1. Определить давление во втором сечении, учитывая, что центр тяжести второго сечения расположен на 5 м ниже центра тяжести н

Описание

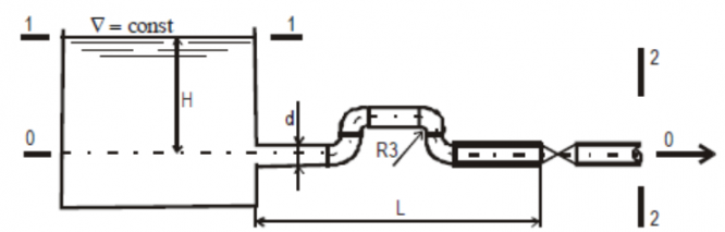
По наклонному трубопроводу диаметром d подается вода в количестве Q. Давление воды в начальном участке сечения трубопровода р1. Определить давление во втором сечении, учитывая, что центр тяжести второго сечения расположен на 5 м ниже центра тяжести начального сечения, а потери напора hf. Начертить пьезометрическую линию для участка трубопровода между сечениями. Как изменится давление, если сечения будут расположены на одном уровне?

Рисунок 2.2 – Расчетная схема к задаче № 2

Таблица 2.2 – Данные к задаче № 2

Величина

Вариант (последняя цифра зачетной книжки)

1

Q, л/с

90

р1, кН/м2

93,5

Вариант (предпоследняя цифра зачетной книжки)

0

d, мм

350

hf, м

1,0

Характеристики решённой задачи

Учебное заведение
Номер задания
Вариант
Просмотров
2
Качество
Идеальное компьютерное
Размер
226,59 Kb

Список файлов

2.2.1.frw
2.2.1.jpg
Задача.docx
Картинка-подпись

Комментарии

Поделитесь ссылкой:
Цена: 125 руб.
Расширенная гарантия +3 недели гарантии, +10% цены
Рейтинг автора
5 из 5
Поделитесь ссылкой:
Сопутствующие материалы
Определить максимальный рабочий объем, максимальную подачу и потребляемую мощность регулируемого аксиально-поршневого насоса, установленного на экскаваторе по следующим данным: диаметр поршней d, число поршней z, диаметр окружности, на которой распол
Определить полезную мощность шестеренного насоса, если модуль зацепления m, число зубьев z, ширина шестерен b, частота вращения n, а объемный КПД насоса η0. Насос развивает давление p. Таблица 3.6 – Данные к задаче № 6 ВеличинаВариант (последняя циф
Определить мощность гидропривода и насоса, потребляемую гидроприводом мощность, КПД гидропривода, представленного на схеме. Крутящий момент на валу гидромотора М; частота вращения вала гидромотора nгм; рабочий объем гидромотора V0; объемный КПД гид
В гидроприводе механизма наклона ковша для порционной заливки металла в формы насос 1 через распределитель 2 нагнетает масло в левую полость силового цилиндра 3, перемещая его поршень и этим наклоняя ковш. Масло, вытесняемое из правой плоскости цилин
В гидравлической системе автомобиля масло нагнетается в силовые гидроцилиндры подъемного устройства. По заданным нагрузкам на штоки поршней (F1 и F2), характеристике насоса PH = F(Q) и размерам поршней и труб определить скорости перемещения поршней (
В конце системы, состоящей из двух последовательно соединенных стальных трубопроводов установлена задвижка. Определить повышение давления перед задвижкой при её закрывании, если время закрывания t; расход воды Q; диаметры трубопроводов d1, d2; длины

Подобрали для Вас услуги

-17%
Вы можете использовать решённую задачу для примера, а также можете ссылаться на неё в своей работе. Авторство принадлежит автору работы, поэтому запрещено копировать текст из этой работы для любой публикации, в том числе в свою задачу в учебном заведении, без правильно оформленной ссылки. Читайте как правильно публиковать ссылки в своей работе.
Свежие статьи
Популярно сейчас
Зачем заказывать выполнение своего задания, если оно уже было выполнено много много раз? Его можно просто купить или даже скачать бесплатно на СтудИзбе. Найдите нужный учебный материал у нас!
Ответы на популярные вопросы
Да! Наши авторы собирают и выкладывают те работы, которые сдаются в Вашем учебном заведении ежегодно и уже проверены преподавателями.
Да! У нас любой человек может выложить любую учебную работу и зарабатывать на её продажах! Но каждый учебный материал публикуется только после тщательной проверки администрацией.
Вернём деньги! А если быть более точными, то автору даётся немного времени на исправление, а если не исправит или выйдет время, то вернём деньги в полном объёме!
Да! На равне с готовыми студенческими работами у нас продаются услуги. Цены на услуги видны сразу, то есть Вам нужно только указать параметры и сразу можно оплачивать.
Отзывы студентов
Ставлю 10/10
Все нравится, очень удобный сайт, помогает в учебе. Кроме этого, можно заработать самому, выставляя готовые учебные материалы на продажу здесь. Рейтинги и отзывы на преподавателей очень помогают сориентироваться в начале нового семестра. Спасибо за такую функцию. Ставлю максимальную оценку.
Лучшая платформа для успешной сдачи сессии
Познакомился со СтудИзбой благодаря своему другу, очень нравится интерфейс, количество доступных файлов, цена, в общем, все прекрасно. Даже сам продаю какие-то свои работы.
Студизба ван лав ❤
Очень офигенный сайт для студентов. Много полезных учебных материалов. Пользуюсь студизбой с октября 2021 года. Серьёзных нареканий нет. Хотелось бы, что бы ввели подписочную модель и сделали материалы дешевле 300 рублей в рамках подписки бесплатными.
Отличный сайт
Лично меня всё устраивает - и покупка, и продажа; и цены, и возможность предпросмотра куска файла, и обилие бесплатных файлов (в подборках по авторам, читай, ВУЗам и факультетам). Есть определённые баги, но всё решаемо, да и администраторы реагируют в течение суток.
Маленький отзыв о большом помощнике!
Студизба спасает в те моменты, когда сроки горят, а работ накопилось достаточно. Довольно удобный сайт с простой навигацией и огромным количеством материалов.
Студ. Изба как крупнейший сборник работ для студентов
Тут дофига бывает всего полезного. Печально, что бывают предметы по которым даже одного бесплатного решения нет, но это скорее вопрос к студентам. В остальном всё здорово.
Спасательный островок
Если уже не успеваешь разобраться или застрял на каком-то задание поможет тебе быстро и недорого решить твою проблему.
Всё и так отлично
Всё очень удобно. Особенно круто, что есть система бонусов и можно выводить остатки денег. Очень много качественных бесплатных файлов.
Отзыв о системе "Студизба"
Отличная платформа для распространения работ, востребованных студентами. Хорошо налаженная и качественная работа сайта, огромная база заданий и аудитория.
Отличный помощник
Отличный сайт с кучей полезных файлов, позволяющий найти много методичек / учебников / отзывов о вузах и преподователях.
Отлично помогает студентам в любой момент для решения трудных и незамедлительных задач
Хотелось бы больше конкретной информации о преподавателях. А так в принципе хороший сайт, всегда им пользуюсь и ни разу не было желания прекратить. Хороший сайт для помощи студентам, удобный и приятный интерфейс. Из недостатков можно выделить только отсутствия небольшого количества файлов.
Спасибо за шикарный сайт
Великолепный сайт на котором студент за не большие деньги может найти помощь с дз, проектами курсовыми, лабораторными, а также узнать отзывы на преподавателей и бесплатно скачать пособия.
Популярные преподаватели
Добавляйте материалы
и зарабатывайте!
Продажи идут автоматически
6802
Авторов
на СтудИзбе
278
Средний доход
с одного платного файла
Обучение Подробнее