Для студентов УГНТУ по предмету Механика жидкости и газа (МЖГ или Гидравлика)Определить напор H, который необходимо поддерживать в резервуаре, чтобы расход воды, пропускаемый по трубопроводу диаметром d, равнялся Q. Угол закрытОпределить напор H, который необходимо поддерживать в резервуаре, чтобы расход воды, пропускаемый по трубопроводу диаметром d, равнялся Q. Угол закрыт
5,0051
2024-10-022024-10-02СтудИзба
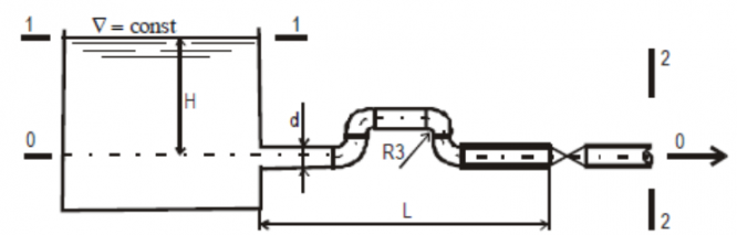
Определить напор H, который необходимо поддерживать в резервуаре, чтобы расход воды, пропускаемый по трубопроводу диаметром d, равнялся Q. Угол закрытия крана α, длина трубы L. На трубопроводе имеется четыре поворота под углом 90º, r/Rз = 0,5.
Описание
Определить напор H, который необходимо поддерживать в резервуаре, чтобы расход воды, пропускаемый по трубопроводу диаметром d, равнялся Q. Угол закрытия крана α, длина трубы L. На трубопроводе имеется четыре поворота под углом 90º, r/Rз = 0,5.
Таблица 2.4 – Данные к задаче № 4
Величина | Вариант (последняя цифра зачетной книжки) |
1 | |
Q, м3/с | 0,015 |
d, м | 0,1 |
| Вариант (предпоследняя цифра зачетной книжки) |
0 | |
α, град | 10 |
L, м | 75 |
Рисунок 4.1 – Расчетная схема к задаче № 4
Характеристики решённой задачи
Учебное заведение
Номер задания
Вариант
Программы
Теги
Просмотров
6
Качество
Идеальное компьютерное
Размер
57,31 Kb
Список файлов
Задача.docx
