Для студентов СамГТУ по предмету Механика жидкости и газа (МЖГ или Гидравлика)Определить силу манометрическогоОпределить силу манометрического
5,0053244
2024-05-122024-05-12СтудИзба
Задача: Определить силу манометрического
Описание
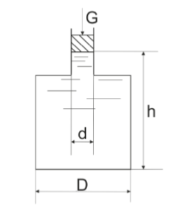
Определить силу манометрического давления на дно сосуда, если на поршень диаметром d=10 см действует сила G=40 кг, глубина вода в сосуде h=0,4 м, диаметр дна сосуда D=0,4м.
![]()

Характеристики решённой задачи
Учебное заведение
Просмотров
1
Размер
26,45 Kb
Список файлов
clipboard-img (9).jpeg

Если нужен другой вариант работы или отдельная задача из любой работы, пишите в комментарии