Для студентов СамГТУ по предмету Механика жидкости и газа (МЖГ или Гидравлика)Истечение воды из бака происходитИстечение воды из бака происходит
5,0053279
2024-05-122024-05-12СтудИзба
Задача: Истечение воды из бака происходит
Описание
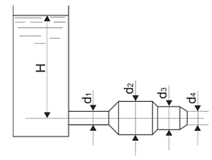
Истечение воды из бака происходит по трубам переменного сечения. Пренебрегая потерями напора, найти скорость истечения, расход и построить пьезометрическую линию, если известны располагаемый напор H и диаметры трубопроводов d1, d2, d3, d4.
Исходные данные для задачи:

№ вар | H, м | d1, мм | d2, мм | d3, мм | d4, мм |
3 | 30 | 70 | 300 | 200 | 30 |
Характеристики решённой задачи
Учебное заведение
Просмотров
2
Размер
103,2 Kb
Список файлов
clipboard-img (3).jpeg
clipboard-img (2).jpeg
clipboard-img (1).jpeg

Если нужен другой вариант работы или отдельная задача из любой работы, пишите в комментарии