Для студентов по предмету Механика жидкости и газа (МЖГ или Гидравлика)Определить силу преобразования F, развиваемую гидравлическим прессом, у которого диаметр большего плунжера D = 500 мм, меньшего d = 50 мм, высота Н = Определить силу преобразования F, развиваемую гидравлическим прессом, у которого диаметр большего плунжера D = 500 мм, меньшего d = 50 мм, высота Н =
2023-08-292023-08-29СтудИзба
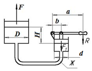
Определить силу преобразования F, развиваемую гидравлическим прессом, у которого диаметр большего плунжера D = 500 мм, меньшего d = 50 мм, высота Н = 1 м. Рабочая жидкость с плотностью ρ = 850 кг/м3. К рычагу приложено усилие R = 250 Н. Отношение пле
Описание
Определить силу преобразования F, развиваемую гидравлическим прессом, у которого диаметр большего плунжера D = 500 мм, меньшего d = 50 мм, высота Н = 1 м. Рабочая жидкость с плотностью ρ = 850 кг/м3. К рычагу приложено усилие R = 250 Н. Отношение плеч рычага равно а/в =12.
Характеристики решённой задачи
Программы
Просмотров
4
Качество
Идеальное компьютерное
Размер
80,44 Kb
Список файлов
