Для студентов по предмету Механика жидкости и газа (МЖГ или Гидравлика)В гидросистеме с расходом масла Q=0,628 л/с параллельно фильтру 1 установлен переливной клапан 2, открывающийся при перепаде давления на ∆Р=0,2 МПа. ОВ гидросистеме с расходом масла Q=0,628 л/с параллельно фильтру 1 установлен переливной клапан 2, открывающийся при перепаде давления на ∆Р=0,2 МПа. О
5,0054
2023-08-192024-09-20СтудИзба
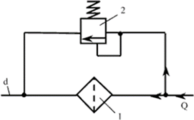
В гидросистеме с расходом масла Q=0,628 л/с параллельно фильтру 1 установлен переливной клапан 2, открывающийся при перепаде давления на ∆Р=0,2 МПа. Определить вязкость ν, при которой начнётся открытие клапана, если коэффициент сопротивления фильтра
Описание
В гидросистеме с расходом масла Q=0,628 л/с параллельно фильтру 1 установлен переливной клапан 2, открывающийся при перепаде давления на ∆Р=0,2 МПа. Определить вязкость ν, при которой начнётся открытие клапана, если коэффициент сопротивления фильтра связан с числом Рейнольдса формулой ζф=А/Re, где А=2640; Re подсчитывается по диаметру трубы d=20 мм; ρ=850 кг/м³.
Характеристики решённой задачи
Номер задания
Вариант
Программы
Теги
Просмотров
31
Качество
Идеальное компьютерное
Размер
29,85 Kb
Список файлов
Задача 2.29.docx
