Для студентов по предмету Механика жидкости и газа (МЖГ или Гидравлика)Задача 3-15Задача 3-15
5,00523
2022-06-042022-06-04СтудИзба
Задача 3: Задача 3-15 вариант 15
Описание
Не только копировать, а нужно понимать!
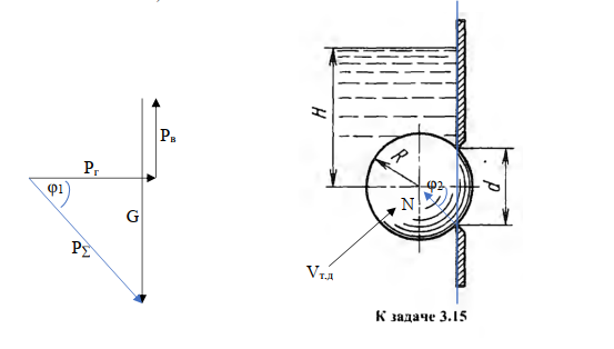
Каков наименьший уровень Н воды в сосуде, при котором стальной шар (относительной плотностью δ = 8) радиусом R = 100 мм, перекрывающий круглое отверстие диаметром d = 1,5R в вертикальной стенке, будет находиться в равновесии?
![]()
Каков наименьший уровень Н воды в сосуде, при котором стальной шар (относительной плотностью δ = 8) радиусом R = 100 мм, перекрывающий круглое отверстие диаметром d = 1,5R в вертикальной стенке, будет находиться в равновесии?


Характеристики решённой задачи
Номер задания
Вариант
Программы
Теги
Просмотров
183
Качество
Идеальное компьютерное
Размер
157,47 Kb
Список файлов
1_3_15.pdf

Привет всем! Я автор на Студизбе. Я надеюсь что, не только дам Вам файлы с ответом но и знание. Не только копировать, а нужно понимать! Вставьте 5 звезд и позитивные комментарии сразу дам Вам подарок