Для студентов по предмету Механика жидкости и газа (МЖГ или Гидравлика)Определить перепад давления на линейном дросселе Δp=p1 – p2, если жидкость проходит через n=2,5 витка однозаходного винта прямоугольного профиля. При Определить перепад давления на линейном дросселе Δp=p1 – p2, если жидкость проходит через n=2,5 витка однозаходного винта прямоугольного профиля. При
5,0052
2022-05-282024-09-20СтудИзба
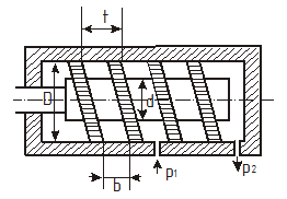
Определить перепад давления на линейном дросселе Δp=p1 – p2, если жидкость проходит через n=2,5 витка однозаходного винта прямоугольного профиля. При расчете принять диаметры: винта D=20 мм, впадин витков d=0,16 мм; их толщина b=2 мм; шаг t=4 мм; рас
Описание
Определить перепад давления на линейном дросселе Δp=p1 – p2, если жидкость проходит через n=2,5 витка однозаходного винта прямоугольного профиля. При расчете принять диаметры: винта D=20 мм, впадин витков d=0,16 мм; их толщина b=2 мм; шаг t=4 мм; расход жидкости Q=0,2 л/с; плотность жидкости ρ=900 кг/м3; ее вязкость ν=0,5 Ст. ![]()

Характеристики решённой задачи
Номер задания
Вариант
Программы
Теги
Просмотров
21
Качество
Идеальное компьютерное
Размер
60,22 Kb
Список файлов
Задача.docx
