Для студентов по предмету Механика жидкости и газа (МЖГ или Гидравлика)Задача 9-11Задача 9-11
5,0053
2022-05-022022-05-02СтудИзба
Задача 9: Задача 9-11 вариант 11
Описание
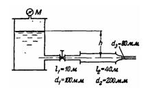
Для горизонтального трубопровода, размеры которого указаны на схеме, определить расход Q при заданном давлении М = 4 атм и уровне воды в резервуаре Н = 5 м. Коэффициенты сопротивления вентиля ξ = 4 и сопла ξ = 0,06 (сжатие струи на выходе из сопла отсутствует). Шероховатость каждого из участков трубопровода 1 мм (старые водопроводные трубы). Как изменится Q, если диаметр первого участка увеличить до d1 = 200 мм? Построить графики напоров по длине трубопровода.
Ответ. Q = 67,8 и 128 л/сек
Характеристики решённой задачи
Номер задания
Вариант
Теги
Просмотров
71
Качество
Фото рукописных листов
Размер
2,36 Mb
Список файлов
9.11.1.JPG
9.11.2.JPG
